Новосибирск +7(383) 201-32-02, 201-30-33 Заказать звонок
Адрес: ул.Лермонтова, 47
Время работы: ПН-ПТ 9-18, СБ, ВС - выходной
Войти Регистрация
Корзина0 позиций
на сумму 0 руб.

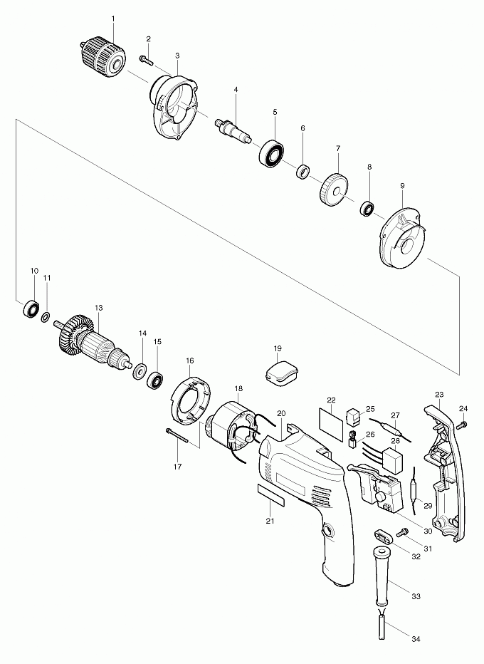
MT601

Артикул
Наименование
Кол.
1
763180-0
Быстрозажимной патрон 10 MT063
1
2
265112-8
Винт M4X18(верс1)
3
3
418018-1
Корпус редуктора для MT601
1
4
324282-3
Шпиндель для модели MT601
1
5
211241-5
Подшипник 6202DD(new)
1
6
257173-2
Kольцо 12 для 5604R
1
7
153587-2
Шестерня для MT600/MT601
1
8
210062-2
Подшипник 607ZZ
1
9
418019-9
Крышка корпуса редуктора
1
10
210029-0
Подшипник 608ZZ(new)
1
11
267240-5
Плоская шайба 8 MT601
1
13
619103-5
Ротор для модели MT601
1
14
681662-9
Изоляционная шайба для MT601
1
15
210030-5
Подшипник 627ZZ
1
16
417821-7
Защита статора для MT601/MT811
1
17
265097-8
Винт M3X40 к MT600
2
18
529079-7
Cтатор в сбоpe 240В для MT601
1
19
418020-4
Крышка выключ. тормоза MT601
1
20
183472-5
Корпус двигателя MT600/601
1
21
819126-5
Этикетка с эмблемой Мактек
1
22
850165-6
Маркировочная табличка MT601
1
23
417817-8
Крышка рукоятки к MT601/MT811
1
24
265099-4
Винт M6x14
4
25
643552-4
Щеткодержатель 5-8 к 3706/
2
26
191998-3
Угольные щетки CB-85 к MT811
1
27
646148-0
Конденсатор для MT811/MT601
1
28
645195-8
Конденсатор к MT811
1
29
646147-2
Конденсатор для MT811/MT601
1
30
650555-1
Выключатель для MT811/MT601
1
31
265099-4
Винт M6x14
2
32
687123-7
Винт натяжителя цепи к MT560(new)
1
33
682569-2
Усилитель кабеля 8-85 к 3709/
1
34
666053-5
Кабель пластиковый 1.00-2-2.0
1


Войти Регистрация
Корзина0 позиций на сумму 0 руб.