Новосибирск +7(383) 201-32-02, 201-30-33 Заказать звонок
Адрес: ул.Лермонтова, 47
Время работы: ПН-ПТ 9-18, СБ, ВС - выходной
Войти Регистрация
Корзина0 позиций
на сумму 0 руб.

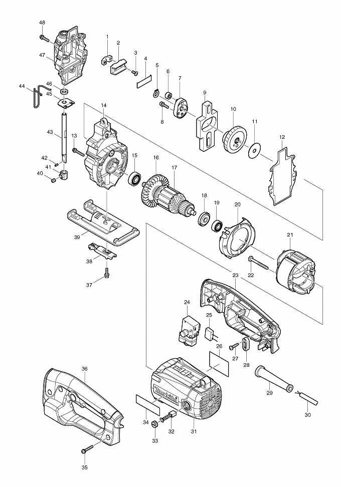
MT430

Артикул
Наименование
Кол.
1
318371-4
Опора ползуна для MT430
1
2
325600-8
Ползун к MT430
1
3
265035-0
Винт с потайной головкой M4X10
2
4
346057-0
Пластина штока для MT430
1
5
961004-6
Стопорное кольцо S-8 к 4341CT/
1
6
212960-6
Подшипник 607
1
7
158873-6
CRANK PLATE COMPLETE
1
8
922122-5
Болт с внутр.шестигр.M4X14
2
9
313161-0
Балансир. пластина для MT430
1
10
158913-0
Косозубая шестерня 49
1
11
267402-5
Плоская шайба 8 MT430
1
12
442145-2
Прокладка для MT430
1
13
265101-3
Винт M6x25
4
14
158870-2
GEAR HOUSING COMPLETE
1
15
210063-0
Подшипник 629ZZ(new)
1
17
513784-6
Ротор в сб. к MT430
1
18
681644-1
Изоляционная шайба для 9227CB/
1
19
210029-0
Подшипник 608ZZ(new)
1
20
450933-3
Защита статора для MT430
1
21
594588-5
Cтатор в сбоpe для MT430
1
22
266466-6
Болт с внутр.шестигран. 5X45(верс2)
2
23
188618-8
Рукоятка в сборе MT430
1
24
650616-7
Выключатель для MT430
1
25
645240-9
Коробка конденсатора MT360
1
26
866286-4
MT430 NAME PLATE
1
27
266326-2
Самонарезающий винт 4х18(new)
2
28
687124-5
Держатель кабеля к 3709/MT360/(new)
1
29
682569-2
Усилитель кабеля 8-85 к 3709/
1
30
665383-1
Кабель резиновый 1.0-2-2.0
1
31
188669-1
Корпус двигателя в сб. MT430
1
32
191940-4
Угольные щетки CB-411
1
33
643987-9
Колпачок щеткодерж.5-8 MT953/
2
34
819227-9
Этикетка с эмблемой Мактек
1
35
265101-3
Винт M6x25
4
36
188618-8
Рукоятка в сборе MT430
1
37
922128-3
Болт с внутр.шестигран. M4x16(верс1)
1
38
158869-7
Опорный ролик пилки MT430
1
39
165555-3
Основание для MT430
1
40
266338-5
Винт M6X6 к MT430
1
41
325601-6
Пилкодержатель к MT430
1
42
258002-2
Пружинный штифт 3-6 6702D/
1
43
168514-6
Ползун для MT430
1
44
325602-4
SAFETY WIRE
1
45
346031-8
Пластина для модели MT430
1
46
424175-5
Полиуретановый сальник к MT430
1
47
158871-0
GEAR HOUSING COVER COMPLETE
1
48
265112-8
Винт M4X18(верс1)
4
16
240118-7
Крыльчатка 65 для MT430
1
1001
A-86561
JIG SAW BLADE NO.51(new)
1
1002
A-85656
Пилка для лобзиков № В13 5 шт.
1
1003
783201-2
Ключ шестигранника 3 мм.
1
1004
450977-3
NOZZLE
1
1005
922138-0
Болт с внутр.шестигран. М4Х20(new)
1


Войти Регистрация
Корзина0 позиций на сумму 0 руб.