Новосибирск +7(383) 201-32-02, 201-30-33 Заказать звонок
Адрес: ул.Лермонтова, 47
Время работы: ПН-ПТ 9-18, СБ, ВС - выходной
Войти Регистрация
Корзина0 позиций
на сумму 0 руб.

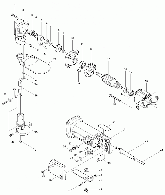
JS1600

Артикул
Наименование
Кол.
1
911156-3
Винт M4X30 к JS1600/1002BA/
4
2
141114-7
GEAR HOUSING(new)
1
2
156725-5
Корпус редуктора(верс1)
1
3
210025-8
Подшипник 627LLB
1
4
253823-7
Плоская шайба 7
1
5
331151-1
Шатун JS1600
1
6
212063-6
Игольчатый подшипник 10/14
1
7
253758-2
Плоская шайба 10
1
8
153138-1
Кривошип к JS1600
1
9
253715-0
Плоская шайба 6
1
10
156731-0
Крышка корпуса редуктораJS1600
1
11
211033-2
Подшипник 608LB
1
12
241081-7
Крыльчатка 58 DA3000/JN1600
1
13
511433-9
Pотор в сборе JS1600
1
14
681614-0
Изоляционная шайба к HP1300S/
1
15
211028-5
Подшипник 627LB
1
16
527066-0
Cтатор в сбоpe 220V(new)
1
17
263002-9
Резиновая шпилька 4
1
18
266147-2
Самонарез. винт. фланец PF4X55
2
19
263002-9
Резиновая шпилька 4
1
20
256110-3
Шпилька 6
1
21
913427-4
Винт фиксации M8X16 JS1600
1
22
341676-7
Пылеотражатель
1
24
922206-9
Болт с внутр. шестигран. M5X10
1
25
321311-3
Держатель ножа для JS1600
1
26
253334-2
Тонкая шайба 5(new)
1
26
253334-2
Тонкая шайба 5(new)
2
27
922112-8
Болт с внутр.шестигран. М4Х10(new)
1
28
922127-5
Болт с внутр.шестигран. М4Х16
1
29
311717-3
Направляющая держателя ножа
1
31
251986-3
Болт с внутр.шестигранник.M6X6
1
32
911158-9
Винт M4X30 к 1050D/1125/1901/
2
33
411981-7
Защитный кожух выкл. JS1600/
1
34
911133-5
Винт M4X18 к 1911B
2
35
687031-2
Держатель кабеля для HR5000K/
1
36
643550-8
Колпачок щеткодержателя 5-8
2
37
191628-6
Угольные щетки CB-65
1
38
651821-9
Выключатель ZGM-54 для JS1600/
1
40
815652-2
NAME PLATE JS1600
1
41
157720-8
Корпус двигателя JN1600/JS1600
1
42
682521-0
Усилитель кабеля 10
1
43
645105-5
Фильтр помех 1100/2708/LS1013/
1
44
665852-2
Кабель резиновый 1.00-2-2.0
1
46
961017-7
Стопорное кольцо E-3 к HR2450/
1
47
341858-1
Рычаг выключателя
1
48
256626-8
Шпилька 4
1
400
410048-8
деталь
1
401
783201-2
Ключ шестигранника 3 мм.
1
402
191383-0
Комплект ножей JS1600 (2шт)
1
900
231322-9
Компрессионная пружина 3
1
901
341930-9
Рычаг стопора
1


Войти Регистрация
Корзина0 позиций на сумму 0 руб.