Новосибирск +7(383) 201-32-02, 201-30-33 Заказать звонок
Адрес: ул.Лермонтова, 47
Время работы: ПН-ПТ 9-18, СБ, ВС - выходной
Войти Регистрация
Корзина0 позиций
на сумму 0 руб.

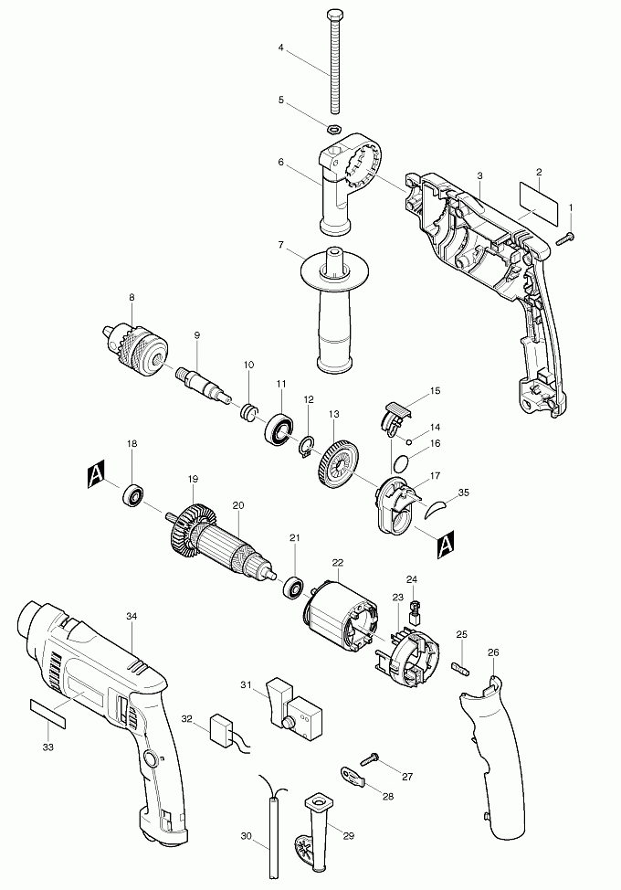
HP1620

Артикул
Наименование
Кол.
1
265995-6
Самонарезающий винт 4X18
7
2
850755-5
Маркировочная табличка HP1620
1
3
183711-3
Корпус в сборе HP1620/1621
1
4
265583-9
Болт с шестигранной гол.M8x120(new)
1
4
921923-8
Болт с шестигранной гол.M8x120(new)
1
5
345280-4
Шестигранная шайба для HR2450/
1
6
417630-4
Основание бок. ручки к HR2450/
1
7
152489-9
Боковая ручка 36 8450/HP1620/
1
8
196008-1
Патрон S13 для НР1620/НР1620F(new)
1
8
192541-1
Патрон S13 для НР1620/НР1620F(верс1)
1
9
324397-6
Шпиндель для HP1620/HP1621/
1
10
233389-3
Компрессионная пружина 15
1
11
211201-7
Подшипник 6002LLB
1
12
961055-9
Стопорное кольцо S-15 BO6030/
1
13
226579-5
Косозубая шестерня 45
1
14
216018-3
Стальной шарик 5.0
1
15
418319-7
Рычаг переключения для HP1620/
1
16
345354-1
Пластина 19 для HP1620/HP1621/
1
17
141165-0
Корпус подшипника в сб HP1620/(new)
1
17
153831-7
Корпус подшипника в сб HP1620/(верс2)
1
17
153695-9
Корпус подшипника в сб HP1620/(верс1)
1
18
210023-2
Подшипник 7/22
1
20
517458-1
Pотор в сбope к HP1620/HP1621/
1
21
211028-5
Подшипник 627LB
1
21
210023-2
Подшипник 7/22
1
22
633568-7
Cтатор для HP1620/HP1621F/
1
23
638237-5
Щеткодержатель к HP1620/1621/
1
24
191962-4
Угольные щетки CB-419
1
25
686038-5
Клемма к HP1620/HP1621/HP2070/
2
26
418320-2
Задняя крышка рукоятки корпуса
1
27
265995-6
Самонарезающий винт 4X18
1
28
687169-3
Фиксатор кабеля для GA7020/
1
29
682549-8
Усилитель кабеля для HP2042/
1
30
666053-5
Кабель пластиковый 1.00-2-2.0
1
31
650543-8
Выключатель TG843TB-1 HP1620/
1
32
645146-1
NOISE SUPRESSOR(new)
1
33
819063-3
Этикетка с эмблемой Макита S
1
34
183711-3
Корпус в сборе HP1620/1621
1
35
345400-0
SPACER
1
19
240067-8
Крыльчатка 55(new)
1
1001
763448-4
CHUCK KEY S13(new)
1
1001
763440-0
Ключ для кулачкового патрона
1
1002
324219-0
Ограничитель уровня глубины
1
1003
824923-6
Пластиковый кейс(new)
1
1003
824724-2
Пластиковый чемодан HP1620/(верс2)
1
1003
182992-6
Пластиковый кейс(верс1)
1


Войти Регистрация
Корзина0 позиций на сумму 0 руб.