Новосибирск +7(383) 201-32-02, 201-30-33 Заказать звонок
Адрес: ул.Лермонтова, 47
Время работы: ПН-ПТ 9-18, СБ, ВС - выходной
Войти Регистрация
Корзина0 позиций
на сумму 0 руб.

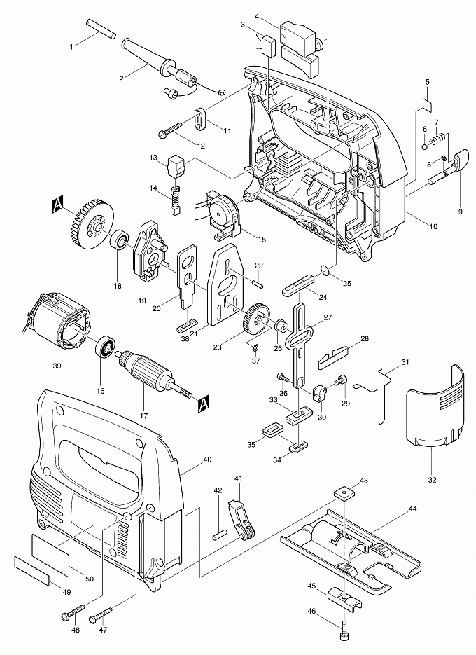
4324

Артикул
Наименование
Кол.
1
666053-5
Кабель пластиковый 1.00-2-2.0
1
2
682502-4
Усилитель кабеля 8-85 к 1806B/
1
3
645105-5
Фильтр помех 1100/2708/LS1013/
1
4
651286-5
Выключатель SGEL206C-5 к 4322/
1
5
816343-8
INDICATION LABEL
1
6
216008-6
Стальной шарик 4
1
7
233151-6
Компрессионная пружина 4
1
8
961011-9
Стопорное кольцо E-4 к HR2450/
1
9
272239-7
Рычаг 18 для модели 4324/4329
1
10
183051-9
Корпус 4324
1
11
687123-7
Винт натяжителя цепи к MT560(new)
1
11
687063-9
Зажим кабеля желтый (ME25)
1
12
265995-6
Самонарезающий винт 4X18
2
13
643552-4
Щеткодержатель 5-8 к 3706/
2
13
643562-1
Щеткодержатель 5x8 для MT811/(верс2)
2
13
643552-4
Щеткодержатель 5-8 к 3706/
2
14
191627-8
Угольные щетки CB-64
1
15
620409-6
CONTROLLER(new)
1
15
631266-7
Контроллер для 4323/4324(верс1)
1
16
210025-8
Подшипник 627LLB
1
17
515718-5
Ротор в сб.4322/23/24/26/27/29(new)
1
17
517268-6
Pотор в сбope к 4322/4323/4324(верс1)
1
18
210005-4
Подшипник 608DDW
1
19
152600-3
Корпус подшипника
1
20
344683-9
Нажимная пластина к 4324/4329
1
21
344614-8
Балансир.пластина к 4322/4323/
1
22
256254-9
Шпилька 3(верс1)
1
23
153260-4
Шестерня в сборе 4324
1
24
313082-6
Направляющая ползуна для 4322/
1
25
213038-8
О-кольцо 5 резиновое 4322/4324
2
26
257683-9
Bтулка
1
27
344613-0
Ползун к 4322/4323/4324/4326/
1
28
232183-0
Плоская пружина для 4324
1
29
922107-1
Болт с внутр.шестигран.М4Х8
1
30
313083-4
Пилкодержатель для 4322/4323/
1
31
323748-0
Проволочный защит. упор 4322/
1
32
416476-5
Крышка пылесборника для 4329/
1
33
313086-8
Опора ползуна для 4324/4329
1
34
423307-1
Полиуретановый сальник к 4322/
1
35
344686-3
Пластина сальника к 4324/4329
1
36
266177-3
Болт M3X10 с внутр.шестигранн.
2
37
961002-0
Стопорное кольцо S-6 к 4329/
1
38
416703-0
Пыльник для модели 4324/4329
1
39
633408-9
Cтатор 220В/240В к 4322/4323/
1
40
183051-9
Корпус 4324
1
41
152601-1
Опорный ролик пилки 4324 мет
1
42
256117-9
Шпилька 4
1
43
343540-8
Держатель для 4320/4322/4323/
1
44
317796-9
Основа для модели 4324/4329(new)
1
44
163397-9
Основание для 4322/4323/4324
1
45
344685-5
Зажим для модели 4324/4329
1
46
922128-3
Болт с внутр.шестигран. M4x16(верс1)
1
47
265995-6
Самонарезающий винт 4X18
9
48
266053-1
Самонарез. винт. фланец PT4X35
1
49
819063-3
Этикетка с эмблемой Макита S
1
50
850955-7
Маркировочная табличка 4324(new)
1
50
859816-8
Маркировочная табличка 4324(верс1)
1
51
241881-5
Крыльчатка 52 для HP2050/6820V
1
1001
A-85628
Пилка для лобзиков № В10 5 шт.(new)
1
1001
792538-6
Пилка для лобзика 80 мм. В-10(верс1)
1
1002
783201-2
Ключ шестигранника 3 мм.
1
5008
345441-6
Основание для модели 4324/4329
1
5009
912107-9
Потайной винт M4X8 к LS1013/
4


Войти Регистрация
Корзина0 позиций на сумму 0 руб.