Новосибирск +7(383) 201-32-02, 201-30-33 Заказать звонок
Адрес: ул.Лермонтова, 47
Время работы: ПН-ПТ 9-18, СБ, ВС - выходной
Войти Регистрация
Корзина0 позиций
на сумму 0 руб.

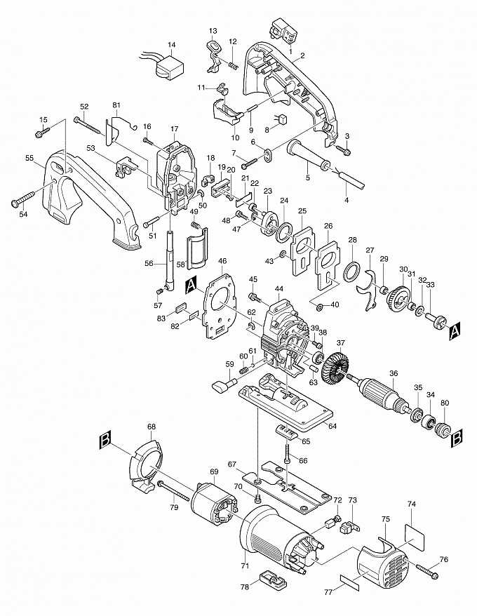
4304

Артикул
Наименование
Кол.
1
651922-3
Выключатель TG71B к GA9010C/
1
2
182680-5
Рукоятка в сборе к 4304
1
3
266045-0
Самонарез. винт. фланец PT4X20(new)
1
3
266120-2
Самонарез. винт. фланец PF4X20(верс1)
1
4
666066-6
Кабель пластиковый 1.00-2-2.5
1
5
682502-4
Усилитель кабеля 8-85 к 1806B/
1
6
687063-9
Зажим кабеля желтый (ME25)
1
7
265995-6
Самонарезающий винт 4X18
2
7
266121-0
Самонарез. винт. фланец PF4X18(верс1)
2
8
645145-3
Фильтр помех для 4304/4304T(new)
1
8
645258-0
Фильтр помех для 4304/4304T(верс1)
1
9
256221-4
Шпилька 3
1
10
415158-6
Рычаг выключателя для JR3020/
1
11
415159-4
Прокладка для 4304/4304Т/8406C
1
12
233101-1
Компрессионная пружина 4
1
13
415534-4
Рычаг фиксатора для 4304
1
14
631678-4
Контроллер к 4305T/9911/4305/(new)
1
14
631202-3
Контроллер 200-240V 4305T/9911(верс1)
1
15
266045-0
Самонарез. винт. фланец PT4X20(new)
2
15
266120-2
Самонарез. винт. фланец PF4X20(верс1)
2
16
266034-5
Самонарезающий винт CT4X16
2
17
153389-6
Корпус редуктора в сб. 4334D/(new)
1
17
151596-5
Крышка корпуса редуктора 4305T(верс2)
1
17
159716-5
Крышка корпуса редуктора 4304/(верс1)
1
18
316608-3
Держатель к 4304T/4305T/4331D/
1
19
310028-3
Ползун для 4304T/4305T/4331D/(new)
1
19
313069-8
Ползун для 4304/4305/4305T(верс1)
1
20
265035-0
Винт с потайной головкой M4X10
2
21
344232-2
Пластина штока для 4304/4334D/
1
22
212010-7
Игольчатый подшипник 6/12
1
23
152454-8
Кривошип
1
24
253792-2
Плоская шайба 26
1
25
344330-2
Балансир. пластина для 4304/(new)
1
25
344133-4
Балансировочная пластина(верс1)
1
26
344330-2
Балансир. пластина для 4304/(new)
1
26
344133-4
Балансировочная пластина(верс1)
1
27
344134-2
Нажимная пластина для 4334D/
1
28
253792-2
Плоская шайба 26
1
29
212043-2
Игольчатый подшипник 810
1
30
226428-6
Косозубая шестерня 51
1
31
212043-2
Игольчатый подшипник 810
1
32
253139-0
Плоская шайба 8 6824N/
1
33
322691-0
Шпиндель для 4304/4305/4334D/
1
34
211021-9
Подшипник 607LLB
1
35
681636-0
Изоляционная шайба для HR2450/
1
36
517098-5
Pотор в сб. к 4305T/4304/4305/
1
37
240039-3
Крыльчатка 54 для 4305T/4304T(new)
1
37
241875-0
Крыльчатка 54 к JN1601/9524NB(верс1)
1
38
211031-6
Подшипник 608LLB
1
39
911111-5
Винт M4X10
3
40
253715-0
Плоская шайба 6
1
43
253715-0
Плоская шайба 6
1
44
151594-9
Корпус редуктора в сб. 4304/05(new)
1
44
159715-7
Корпус редуктора в сборе 4305/(верс1)
1
45
266045-0
Самонарез. винт. фланец PT4X20(new)
2
45
266120-2
Самонарез. винт. фланец PF4X20(верс1)
2
46
442123-2
Прокладка для 4304/4304Т/4305/(new)
1
46
442119-3
Прокладка для 4304/4304T/4305T(верс1)
1
47
961004-6
Стопорное кольцо S-8 к 4341CT/
1
48
922126-7
Болт с внутр.шестигран. M4X16
2
49
231314-8
Компрессионная пружина 4
2
50
961017-7
Стопорное кольцо E-3 к HR2450/
1
51
256693-3
Шпилькa 4
1
52
266147-2
Самонарез. винт. фланец PF4X55
2
52
266115-5
Самонарез. винт. фланец PF(верс1)
2
53
152947-5
Опорный ролик пилки 4304D(мет)(new)
1
53
151426-0
Опорный ролик пилки(верс1)
1
54
266053-1
Самонарез. винт. фланец PT4X35
1
54
266117-1
Самонарезающий винт. фланец PF(верс1)
1
55
182680-5
Рукоятка в сборе к 4304
1
56
165089-6
Шток пилкодержателя 4304/4305
1
57
265894-2
Винт без головки M6X8
1
58
344137-6
Пластина скольжения для 4334D/
1
59
272231-3
Рычаг 17 для 4304/4305/4334D
1
60
231314-8
Компрессионная пружина 4
1
61
216008-6
Стальной шарик 4
1
62
961018-5
Стопорное кольцо E-5 к LS1013/
1
63
263002-9
Резиновая шпилька 4
1
64
316883-1
Основание для 4304/4305/4331D(new)
1
64
316605-9
Основание для 4304/4305(верс1)
1
65
331435-7
Зажимная планка для 4304/4305/
1
66
922146-1
Болт с внутр.шестигран. М4Х25
1
67
344443-9
Основание (металл) MA002 4305T(new)
1
67
344136-8
Пластина основания 4304/4305/Т(верс1)
1
68
415535-2
Защита статора для 4304/4305
1
69
633288-3
Cтатор 230В к 4305T/4305/4304/
1
70
266055-7
Потайной винт M5X8 для 4304/
4
71
415748-5
Корпус мотора для 4304Т/4305T/(new)
1
71
415528-9
MOTOR HOUSING(верс1)
1
72
191962-4
Угольные щетки CB-419
1
73
643923-5
Щеткодержатель для HR2430/
2
74
857555-4
NAME PLATE 4304
1
75
415532-8
Задняя крышка для 4304/4304Т
1
76
266050-7
Самонарез. винт. фланец PT4X30
2
76
266118-9
TAPPING SCREW FLANGE PF 4X30(верс1)
2
77
819080-3
Этикетка с эмблемой 11X43
1
78
415538-6
Колпачок (ME43) для 4304/4304Т
1
79
266052-3
Самонарез. винт. фланец PT4X60
2
79
266114-7
Самонарез. винт, фланец PT4X60(верс1)
2
80
421494-0
Резиновое кольцо 19 к HR2450/
1
81
322893-8
Проволочный защит. упор 4334D/
1
82
344784-3
Пластина сальника к 4304/4305/
1
83
443106-5
Фетровая прокладка 10-20
1
1001
783201-2
Ключ шестигранника 3 мм.
1
1002
410048-8
деталь
1
1003
415524-7
Противоскольная пластина для л
1
1004
415887-1
Пылеотражатель для 4304/4305T/(new)
1
1004
415525-5
PLASTIC COVER(верс1)
1
1005
A-85737
Пилка для лобзиков № В22 5 шт.(new)
1
1005
792522-1
Пилка узкая 5 шт.х50 мм.х В-22(верс1)
1
1006
A-85628
Пилка для лобзиков № В10 5 шт.(new)
1
1006
792538-6
Пилка для лобзика 80 мм. В-10(верс1)
1
1007
A-85793
Пилка для лобзиков № BR13 5шт.(new)
1
1007
A-02294
Пилка для лобзика 65 мм.(верс1)
1
1008
413068-1
Основание (пластик) МЕ42 4304/(new)
1
1008
415537-8
Основание для 4304/4305/4305Т(верс1)
1
1009
824809-4
Пластиковый чемодан для 4304/(new)
1
1009
824662-8
Пластиковый чемодан для 4304(верс2)
1
1009
824536-3
PLASTIC CARRYING CASE(верс1)
1
5003
654128-2
деталь
1
5004
646067-0
Конденсатор CH9-5 к 4304/6408/
1
5005
192547-9
Переходник к пылесосу 4304/Т/
1
5007
654556-1
деталь
1


Войти Регистрация
Корзина0 позиций на сумму 0 руб.