Новосибирск +7(383) 201-32-02, 201-30-33 Заказать звонок
Адрес: ул.Лермонтова, 47
Время работы: ПН-ПТ 9-18, СБ, ВС - выходной
Войти Регистрация
Корзина0 позиций
на сумму 0 руб.

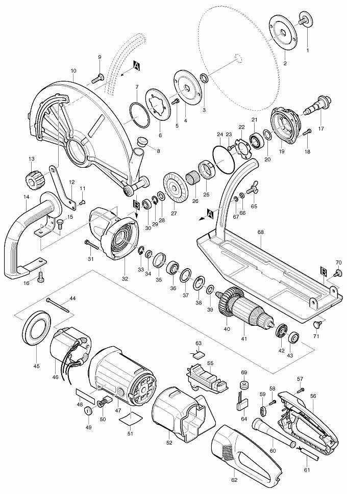
4114S

Артикул
Наименование
Кол.
1
265265-3
Болт с шестигранной гол.M10X25
1
2
224184-2
Внутренний фланец 100 4110C/(new)
1
3
257054-0
Кольцо 20 для 2412N/2414/4110C
1
4
224184-2
Внутренний фланец 100 4110C/(new)
1
5
925216-5
Болт+ с шестигранником M5X14
3
6
345269-2
Пластина крепления кожуха
1
7
341853-1
Пластина B для 4110C/4112HS/
1
8
286289-6
Резиновый наконечник 32(new)
1
8
286268-4
Заглушка к 5840BA(верс1)
1
9
265845-5
Болт с квадр.осн.шляпки M8X30
1
10
125336-7
Кожух диска в сборе
1
11
912202-5
Потайной винт M5X8 для 4110C/
2
12
345291-9
Стопорная пластина для 4112HS/
1
13
252648-6
Гайка с накаткой M8 для 4112
1
14
273655-6
Боковая ручка к 4112HS/4112S/
1
15
921432-7
Болт с шестигранной гол. M8X20
1
16
921432-7
Болт с шестигранной гол. M8X20
1
17
153541-6
Шпиндель для 4112HS
1
18
265502-5
Болт+ с шестигранной гол.M5x20
4
19
153539-3
Корпус подшипника в сб. 4112HS
1
20
267041-1
Плоская шайба 20 2106/9079S/
1
21
211326-7
Подшипник 20/42(верс1)
1
21
211326-7
Подшипник 20/42(верс1)
1
22
285708-9
Фиксатор подшипника 50 4112HS/
1
23
911221-8
Винт M5X16 к HM1304/2106/2708/
3
24
213757-6
О-кольцо 80 резиновое
1
25
331644-8
Стопорная втулка для 4112HS/
1
26
233922-1
Стопорная пружина 24 для 4112
1
27
227439-4
Конич.спир.шестерня 57 к 4112H
1
28
267251-0
Плоская шайба 30 для 4112HS/
1
29
961055-9
Стопорное кольцо S-15 BO6030/
1
30
211061-7
Подшипник 10/26
1
31
925261-0
Болт+ с шестигранником M5X40
4
32
153542-4
Корпус редуктора в сб. 4112HS
1
33
961055-9
Стопорное кольцо S-15 BO6030/
1
34
257053-2
Kольцо 15
1
35
262554-7
Резиновое кольцо 36 для 4112HS
1
36
211228-7
Подшипник 15/30(new)
1
37
267250-2
Плоская шайба 30 для 4112HS/
1
38
962157-4
Стопорное кольцо R-40 к 9069S/
1
39
267251-0
Плоская шайба 30 для 4112HS/
1
41
516868-9
Ротор в сборе для 4112S/4114S
1
42
681630-2
Изоляционная шайба для 9069S/
1
43
211087-9
Подшипник 6200DDW/
1
44
266059-9
Самонар. винт. фланец PT M5X75
2
45
416131-9
Защита статора к 4112HS/9079F
1
46
626129-0
Статор 230В для 4112S/4114S
1
47
183564-0
Корпус двигателя в сб. 4112HS
1
48
819064-1
Этикетка с эмблемой Макита M
2
49
643710-2
Колпачок щеткодержателя HM1810
2
50
191957-7
Угольные щетки CB-204 автооткл
1
51
815P83-1
4114S NAME PLATE(new)
1
51
862177-7
4114S NAME PLATE(верс1)
1
52
421831-8
Кожух для 4112HS/4112S/4114S
1
55
651179-6
Выключатель(new)
1
55
651178-8
Выключатель 1362.0112 к GA9020(верс2)
1
55
651147-9
Выключатель 1362.0102 к 9069S/(верс1)
1
56
183615-9
Рукоятка в сборе к 4112HS
1
57
266045-0
Самонарез. винт. фланец PT4X20(new)
5
58
265995-6
Самонарезающий винт 4X18
2
59
687053-2
Держатель кабеля для HR4500C/(верс1)
1
60
682560-0
Усилитель кабеля 10 к GA9020/
1
61
695107-1
Кабель резиновый 1.5-2-2.5
1
62
183615-9
Рукоятка в сборе к 4112HS
1
63
645200-1
Фильтр помех для 5012B/HR2400/
1
64
631553-4
Конденсатор для 4112HS/4112S/
1
65
924426-1
Болт-барашек M8X20
1
66
942201-3
Шайба Гровера 8 к 2412N/2414B/
1
67
941201-0
Плоская шайба 8 к LS1013/4131/
1
68
165431-1
Основание
1
69
688131-1
Фильтр MHW710(new)
1
70
265557-0
Болт с шестигр.заплечиком М6
1
71
265557-0
Болт с шестигр.заплечиком М6
1
40
240060-2
Крыльчатка
1
1001
782210-8
Торцовый ключ 17
1


Войти Регистрация
Корзина0 позиций на сумму 0 руб.