Новосибирск +7(383) 201-32-02, 201-30-33
Адрес: ул.Лермонтова, 47
Время работы: ПН-ПТ 9-18, СБ, ВС - выходной
Войти Регистрация
Корзина0 позиций
на сумму 0 руб.

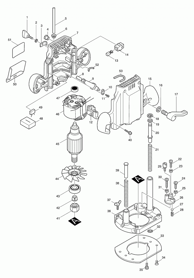
3620

Артикул
Наименование
Кол.
1
251878-6
Bинт M5x20 3620/HR2430/UM140D
1
2
941101-4
Плоская шайба 5 к 1100/HR2430/
1
3
343352-9
Пластина крепления кожуха
1
4
252094-3
Шестигр. гайка M8 3620
1
5
321948-6
Ограничительный штифт для 3620
1
6
410960-2
Указатель глубины для 3620
1
7
182305-1
Корпус к 3620
1
8
665394-6
Кабель резиновый 1.0-2-2.5
1
9
682502-4
Усилитель кабеля 8-85 к 1806B/
1
10
687031-2
Держатель кабеля для HR5000K/
1
11
911133-5
Винт M4X18 к 1911B
2
12
651280-7
Выключатель SGE115CDY-5 к 3620
1
13
181410-1
Угольные щетки СВ-106
1
14
643605-9
Щеткодержатель для HP2000/
2
15
182305-1
Корпус к 3620
1
16
941202-8
Плоская шайба 8 к 2106/DA6301/
1
17
272221-6
Рычаг 45 для модели 3620
1
18
962065-9
Стопорное кольцо R-15 к 3620
1
19
267047-9
Плоская шайба 10 к 3620/6705D/
1
20
415992-4
Штырь 10 для модели 3620
1
21
231416-0
Компрессионная пружина 10
1
22
265334-0
Болт с шестигранной гол. M5X20
1
23
931202-6
Шестигранная гайка M5 HR2430/
1
24
265333-2
Болт с шестигранной гол. M5X16(верс1)
1
25
931202-6
Шестигранная гайка M5 HR2430/
1
26
134437-0
Упор в сборе для 3620
1
27
216009-4
Стальной шарик 7.1
1
28
231419-4
Компрессионная пружина 5
1
29
251447-3
(-) Винт с плоской головкой M6
1
30
265335-8
Болт+ с шестигранной гол.M5X28(верс1)
1
31
931202-6
Шестигранная гайка M5 HR2430/
1
32
259019-8
Стопорная шайба 15 3620
2
33
410834-7
Пластина основания для 3620
1
34
912112-6
Потайной винт M4X10 к RP1110C/
4
35
911206-4
Винт M5X10 к 4110C/1805B/3620/
2
36
154346-7
Основание в сборе для 3620
1
37
924216-2
Болт-барашек M5X15 к LS1440/
2
38
231417-8
Компрессионная пружина 10
1
39
256651-9
Шпилька 10
1
40
911243-8
Винт M5X25 к HR5000/4131/9901/
7
41
763615-1
Гайка цанги для 3608В/3620
1
42
763618-5
Цанговый зажим 8 мм. для 3620/
1
43
211275-8
Подшипник 17/35
1
44
241835-2
Крыльчатка 72 для 3620
1
45
512953-6
Pотор в сборе для модели 3620
1
46
522638-6
Cтатор в сборе 220В для 3620
1
47
211031-6
Подшипник 608LLB
1
48
685722-9
Губчатая прокладка к HR5000K/
1
49
645200-1
Фильтр помех для 5012B/HR2400/
1
50
410896-5
Пылеотражатель для 3620
1
51
855739-8
Маркировочная табличка к 3620
1
52
443073-4
Фетровая прокладка для 3620
1
53
443074-2
Фетровая прокладка для 3620
1
54
231240-1
Компрессионная пружина 7
2
401
781006-4
Гаечный ключ 13 3608B/3620
1
402
781011-1
Гаечный ключ 22 3620/4105KB/
1
403
781213-9
Гаечный ключ 8 к 3612/RP0910/
1
405
763636-3
Цанговый зажим 6 мм. на 3620
1
406
164834-6
Параллельный упор
1
905
192035-6
Адаптер 3620/12-пылесос(new)
1
905
192063-1
Патрубок для пылесоса(верс1)
1


Войти Регистрация
Корзина0 позиций на сумму 0 руб.