Новосибирск +7(383) 201-32-02, 201-30-33
Адрес: ул.Лермонтова, 47
Время работы: ПН-ПТ 9-18, СБ, ВС - выходной
Войти Регистрация
Корзина0 позиций
на сумму 0 руб.

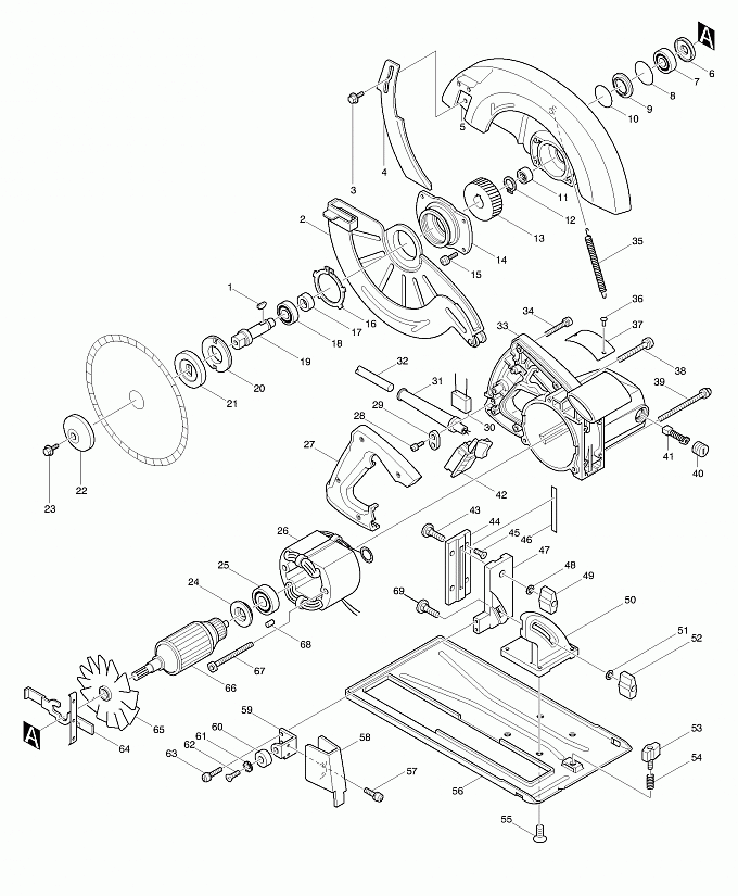
SR2600

Артикул
Наименование
Кол.
1
254032-1
Сегментная шпонка 5
1
2
168123-1
Защитный кожух для SR2600
1
3
251644-1
Болт фланца шестигранный M8X20
2
4
342740-7
Расклинивающий нож
1
5
154313-2
Кожух диска для SR2600
1
6
213102-5
Пыльник 12
1
7
211106-1
Подшипник 6201LLB
1
8
213459-4
О-кольцо 32 резиновое
1
9
341736-5
Шайба 25
1
10
213412-0
О-кольцо 29 резиновое
1
11
212052-1
Игольчатый подшипник 1010
1
12
961057-5
Стопорное кольцо S-17 к 9029/
1
13
221698-2
Косозубая шестерня 50
1
14
315380-4
Корпус подшипника SR2300/2600
1
15
911231-5
Винт M5X20 для SR2300/1911B/
4
16
257920-1
TOOTH RING GT-48
1
17
257084-1
Kольцо 17
1
18
211256-2
Подшипник 17/40
1
19
321402-0
Шпиндель для SR2300/SR2600
1
20
285821-3
Фиксатор подшипника 22-41
1
21
224360-8
Внутренний фланец 40(new)
1
21
224223-8
Внутренний фланец 40(верс1)
1
22
224275-9
Наружный фланец 40 5704R
1
23
251644-1
Болт фланца шестигранный M8X20
1
24
681625-5
Изоляционная шайба для HR2010/
1
25
211033-2
Подшипник 608LB
1
26
524748-5
Cтатор в сборе 220V
1
27
410233-3
Крышка рукоятки
1
28
911133-5
Винт M4X18 к 1911B
2
29
687001-1
Держатель кабеля для BO4550/
1
30
645173-8
Фильтр помех к JR3000V/HR1800/
1
31
682505-8
Усилитель кабеля 10-90 к 2708/
1
32
665516-8
Кабель резиновый 1.00-2-2.5
1
33
157249-4
Корпус двигателя для SR2600
1
34
911153-9
Винт M4x28 к KP312S/1100/1125/
4
35
231781-7
Натяжная пружина 5
1
36
953106-2
Заклёпка 0-5 для 4110C/1901/
2
37
854938-9
NAME PLATE SR2600
1
38
911273-9
Винт M5X50 к HR2400/2414/5016/
2
39
911288-6
Винт M5X65
1
40
643650-4
Колпачок щеткодерж-ля 6.5-13.5
2
41
181048-2
Угольные щетки CB-155 автооткл
1
42
651131-4
Выключатель C3D-15MS(верс1)
1
43
265845-5
Болт с квадр.осн.шляпки M8X30
1
44
315628-4
Пластина скольжения для SR2600
1
45
912217-2
Потайной винт M5x14 SR2600
4
46
816166-4
Этикетка вращающейся ручки
1
47
315629-2
деталь
1
48
941201-0
Плоская шайба 8 к LS1013/4131/
1
49
252626-6
Барашковая гайка 5143R/SR2600/
1
50
315630-7
кронштейн
1
51
941201-0
Плоская шайба 8 к LS1013/4131/
1
52
252626-6
Барашковая гайка 5143R/SR2600/
1
53
251858-2
Bинт M6x15
1
54
231316-4
Компрессионная пружина 7
1
55
912212-2
Потайной винт М5Х12 к 9045N/
4
56
342649-3
Основание для SR2600
1
57
911106-8
Винт M4X8 к 1911B/4301BV/500/
2
58
342742-3
деталь
1
59
342741-5
деталь
1
60
262042-4
RUBBER RING 8
1
61
943202-4
Зубчатая контровочная шайба 8
1
62
251256-0
Винт+ с потайной головкойM8X20
1
63
911221-8
Винт M5X16 к HM1304/2106/2708/
2
64
163207-0
Стопорная ручка для SR2600
1
65
241317-4
Крыльчатка 100 SR2600/4110С
1
66
514828-5
Pотор в сборе 220V
1
67
911300-2
PAN HEAD SCREW M5X75
2
68
263014-2
Резиновая шпилька 4
1
69
265845-5
Болт с квадр.осн.шляпки M8X30
1
400
792204-5
Пильный диск 266 мм.
1
401
164021-7
Параллельный упор
1
402
782212-4
Ключ гаечный торцовый 13 5016/
1


Войти Регистрация
Корзина0 позиций на сумму 0 руб.