Новосибирск +7(383) 201-32-02, 201-30-33
Адрес: ул.Лермонтова, 47
Время работы: ПН-ПТ 9-18, СБ, ВС - выходной
Войти Регистрация
Корзина0 позиций
на сумму 0 руб.

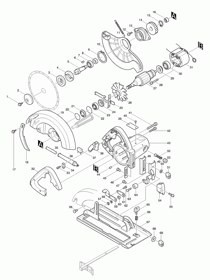
SR2100

Артикул
Наименование
Кол.
2
224275-9
Наружный фланец 40 5704R
1
3
224360-8
Внутренний фланец 40(new)
1
3
224223-8
Внутренний фланец 40(верс1)
1
4
285807-7
Фиксатор подшипника 22-36
1
5
323789-6
Шпиндель к SR2100(new)
1
5
321060-2
Шпиндель к SR2100(верс1)
1
6
254032-1
Сегментная шпонка 5
1
7
211206-7
Подшипник 15/35
1
8
257064-7
Кольцо 20 для SR2100
1
9
961201-4
Стопорное кольцо S-42
1
10
164884-1
Защитный кожух для SR2100
1
11
231838-4
TENSION SPRING 4(new)
1
11
231753-2
Натяжная пружина 5(верс1)
1
12
911231-5
Винт M5X20 для SR2300/1911B/
2
13
315379-9
Корпус подшипника для SR2100
1
14
221687-7
Косозубая шестерня 43
1
15
961055-9
Стопорное кольцо S-15 BO6030/
1
16
212052-1
Игольчатый подшипник 1010
1
17
251644-1
Болт фланца шестигранный M8X20
1
18
341782-8
Расклинивающий нож SR2100
1
19
154370-0
Кожух диска для SR2100
1
20
213412-0
О-кольцо 29 резиновое
1
21
341736-5
Шайба 25
1
22
213459-4
О-кольцо 32 резиновое
1
23
211106-1
Подшипник 6201LLB
1
24
213102-5
Пыльник 12
1
25
163113-9
Стопор шпинделя SR2100/SR2300
1
26
241513-4
Крыльчатка 92 SR2100/4157КВ
1
27
514858-6
Pотор в сборе 220V
1
28
911280-2
PAN HEAD SCREW M5X55
2
29
681625-5
Изоляционная шайба для HR2010/
1
30
211033-2
Подшипник 608LB
1
31
524538-6
Cтатор в сборе 220V
1
32
411914-2
Крышка рукоятки
1
33
911133-5
Винт M4X18 к 1911B
2
34
687001-1
Держатель кабеля для BO4550/
1
35
665516-8
Кабель резиновый 1.00-2-2.5
1
36
682505-8
Усилитель кабеля 10-90 к 2708/
1
37
645105-5
Фильтр помех 1100/2708/LS1013/
1
38
651023-7
Выключатель HPAH2-2S(верс1)
1
39
854464-8
NAME PLATE SR2100
1
40
953106-2
Заклёпка 0-5 для 4110C/1901/
2
41
911273-9
Винт M5X50 к HR2400/2414/5016/
3
42
911148-2
Винт M4X25(верс1)
4
43
156828-5
Корпус двигателя SR2100/SR2300
1
44
263014-2
Резиновая шпилька 4
1
45
251919-8
Болт с квадр.подголовком M6X20
1
46
343809-0
Пластина
1
47
251919-8
Болт с квадр.подголовком M6X20
1
48
343860-0
деталь
1
49
164585-1
деталь
1
50
941151-9
Плоская шайба 6 для HR3000C/
1
51
252624-0
Барашковая гайка M6 5705R/
1
52
181048-2
Угольные щетки CB-155 автооткл
1
53
643650-4
Колпачок щеткодерж-ля 6.5-13.5
1
54
341781-0
деталь
1
55
911106-8
Винт M4X8 к 1911B/4301BV/500/
2
56
251918-0
Болт с квадр.подголовком M8X24
1
57
941201-0
Плоская шайба 8 к LS1013/4131/
1
58
941201-0
Плоская шайба 8 к LS1013/4131/
1
59
341416-3
деталь
1
60
931402-8
Шестигранная гайка M8 HR5001C/
1
61
341415-5
Стопорная пластина для SR2100/
1
62
911106-8
Винт M4X8 к 1911B/4301BV/500/
1
63
251227-7
Винт+ с потайной головкойM6X22
1
64
262502-6
Резиновая втулка 6
1
65
168091-8
Основание для SR2100
1
66
251858-2
Bинт M6x15
1
67
231316-4
Компрессионная пружина 7
1
68
253819-8
Плоская шайба 6
1
69
252624-0
Барашковая гайка M6 5705R/
1
400
792315-6
Пильный диск 210 мм.
1
401
164095-8
Паралл. упор для 5604/4105КВ
1
402
782212-4
Ключ гаечный торцовый 13 5016/
1
403
273466-9
Боковая ручка 37 SR2100/SR2300
1


Войти Регистрация
Корзина0 позиций на сумму 0 руб.