Новосибирск +7(383) 201-32-02, 201-30-33
Адрес: ул.Лермонтова, 47
Время работы: ПН-ПТ 9-18, СБ, ВС - выходной
Войти Регистрация
Корзина0 позиций
на сумму 0 руб.

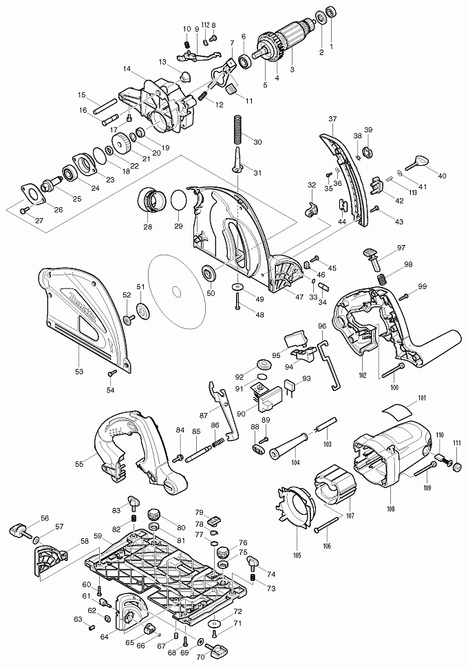
SP6000

Артикул
Наименование
Кол.
1
210013-5
Шариковый подшипник
1
2
681634-4
Изоляционная шайба для 4131/
1
3
513678-5
Ротор в сб. 220-240В к SP6000
1
6
211131-2
Подшипник 12/28
1
7
345742-2
Стопорная ручка для SP6000
1
8
265011-4
Винт (+) с обвязывающей гол.М5
1
9
158096-6
Башмак в сборе SP6000
1
10
233480-7
Компрессионная пружина 7
1
11
286275-7
Крышка маслянного канала
1
12
233084-5
Компрессионная пружина 6(new)
1
13
286278-1
Крышка маслянного канала
1
14
158092-4
Корпус редуктора в сборе
1
15
324716-6
PIN 8
1
16
324708-5
Штифт упора 8 к модели SP6000
1
17
265913-4
Болт с внутр.шестигран. M5X8
1
18
213512-6
О-кольцо 39 резиновое
1
19
211021-9
Подшипник 607LLB
1
20
961052-5
Стопорное кольцо S-12 9555NB/
1
21
226637-7
Косозубая шестерня 39
1
22
257010-0
Кольцо 12 для LS0810/5621RD
1
23
318088-9
Корпус подшипника для SP6000
1
24
211129-9
Подшипник 12/32
1
25
324707-7
Шпиндель для модели SP6000
1
26
285689-7
Фиксатор подшипника для SP6000
1
27
911221-8
Винт M5X16 к HM1304/2106/2708/
2
28
419620-3
Переходник пылесборника SP6000
1
29
213460-9
О-кольцо 35 резиновое
1
30
233479-2
COMPRESSION SPRING 11
1
31
419624-5
SPRING HOLDER
1
32
158095-8
LEVER 20 COMPLETE
1
33
213021-5
О-кольцо 5 резиновое LS1013/
1
34
324710-8
PIN 8
1
35
266007-8
Самонарез винт зажимной РT3X10
1
36
253821-1
Плоская шайба 3
1
37
419625-3
Ограничитель уровня глубины
1
38
231665-9
TORSION SPRING 7
1
39
419630-0
LOCK LEVER
1
40
251867-1
Bинт M5x30 3700B
1
41
941101-4
Плоская шайба 5 к 1100/HR2430/
1
42
419623-7
STOPPER BLOCK
1
43
266034-5
Самонарезающий винт CT4X16
2
44
345744-8
NUT PLATE
1
45
266034-5
Самонарезающий винт CT4X16
1
46
419632-6
POSITION PLATE
1
47
158547-9
Кожух диска для SP6000
1
48
266053-1
Самонарез. винт. фланец PT4X35
1
49
253010-8
Плоская шайба 6
1
50
224406-0
Внутренний фланец 35
1
51
224405-2
OUTER FLANGE 35
1
52
266403-0
Болт с внутр. шестигран. M6
1
53
318084-7
BLADE CASE COVER
1
54
266034-5
Самонарезающий винт CT4X16
5
55
188197-6
HANDLE SET
1
56
265776-8
Винт для модели SP6000
1
57
253111-2
Плоская шайба 6
1
58
419596-4
REAR ANGULAR GUIDE
1
59
318179-6
Основание для модели SP6000
1
60
265995-6
Самонарезающий винт 4X18
2
61
324731-0
STOPPER PIN
1
62
252157-5
Квадратная гайка M6
1
63
266085-8
Болт M6X10 с внутр.шестигранн.
1
64
419595-6
FRONT ANGULAR GUIDE
1
65
419571-0
DIAL 22
1
66
961017-7
Стопорное кольцо E-3 к HR2450/
1
67
266085-8
Болт M6X10 с внутр.шестигранн.
2
68
265995-6
Самонарезающий винт 4X18
2
69
253111-2
Плоская шайба 6
1
70
265776-8
Винт для модели SP6000
1
71
912112-6
Потайной винт M4X10 к RP1110C/
1
72
345748-0
LOCK WASHER
1
73
231316-4
Компрессионная пружина 7
1
74
265701-9
Винт M 6x14 HR4000C/
1
75
419627-9
Держатель SP6000
1
76
265775-0
Винт для модели SP6000
1
77
345977-5
PLATE(new)
1
77
267070-4
Плоская шайба 10 для 4603D/
1
78
253932-2
Волновая шайба 10
1
79
419621-1
SLIDE LEVER
1
80
265775-0
Винт для модели SP6000
1
81
419627-9
Держатель SP6000
1
82
231316-4
Компрессионная пружина 7
1
83
265701-9
Винт M 6x14 HR4000C/
1
84
922232-8
Болт с внутр.шестигран. М5Х20
1
85
324709-3
LOCK PIN 8
1
86
233267-7
Компрессионная пружина 7
1
87
419631-8
LOCK PLATE
1
88
687052-4
Прижимная пластина к HR2450/
1
89
265995-6
Самонарезающий винт 4X18
2
90
631729-3
Контроллер для модели SP6000
1
91
213261-5
О-кольцо 17 резиновое
1
92
418905-4
DIAL
1
93
645185-1
Конденсатор
1
94
419622-9
Рычаг выключателя для SP6000
1
95
651922-3
Выключатель TG71B к GA9010C/
1
96
345745-6
Соединительная пластина
1
97
419629-5
Кнопка предохранителя к SP6000
1
98
233089-5
Компрессионная пружина 12
1
99
265995-6
Самонарезающий винт 4X18
6
100
911273-9
Винт M5X50 к HR2400/2414/5016/
1
101
862913-1
Маркировочная табличка(new)
1
101
862913-1
Маркировочная табличка(new)
1
101
862913-1
Маркировочная табличка(new)
1
102
188197-6
HANDLE SET
1
103
665890-4
Кабель резиновый 1.0-2-4.0
1
104
682540-6
Усилитель кабеля 9.3-90 2030/
1
105
419626-1
Защита статора для SP6000
1
106
266044-2
Самонарезающий винт 5X60
2
107
525743-8
Статор в сборе для SP6000
1
108
158094-0
Корпус двигателя в сборе
1
109
911273-9
Винт M5X50 к HR2400/2414/5016/
4
110
191963-2
Угольные щетки CB-303
1
111
643750-0
Колпачок щеткодержателя к 4131
2
112
267781-1
WAVE WASHER 7
1
113
231372-4
Компрессионная пружина 5
1
4
240091-1
FAN 60
1
5
345767-6
DRUM
1
115
421479-6
Резиновое кольцо 19 к JN1601/
1
116
424047-4
PACKING
1
117
424050-5
SPONGE
1
118
443137-4
FELT
1
1001
B-07353
Пил. диск 165x20x2.2x48T дер.
1
1002
783203-8
Шестигранный ключ 5
1
1003
821552-6
CONNECTOR PLASTIC CASE (TYPE4)
1
1003
165447-6
Дополнительное основание
1
1004
805K60-1
SP6000J INDICATION LABEL(new)
1
1004
800V02-6
SP6000J INDICATION LABEL(верс1)
1
1005
800V03-4
SP6000J PLASTIC CASE LABEL
2
1007
837945-7
INNER TRAY(new)
1
1007
837804-5
INNER TRAY(верс1)
1


Войти Регистрация
Корзина0 позиций на сумму 0 руб.