Новосибирск +7(383) 201-32-02, 201-30-33 Заказать звонок
Адрес: ул.Лермонтова, 47
Время работы: ПН-ПТ 9-18, СБ, ВС - выходной
Войти Регистрация
Корзина0 позиций
на сумму 0 руб.

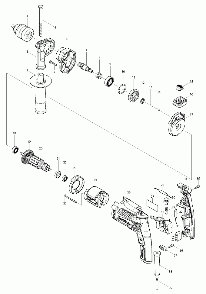
MT817

Артикул
Наименование
Кол.
1
763161-4
Патрон 13мм 1/2 для MT8
1
2
454126-4
GRIP BASE
1
3
142083-5
GRIP 36 COMPLETE
1
3
153503-4
Рукоятка 36 в сборе HR2432(new)
1
4
265495-6
Винт M8X110 к MT11
1
5
266374-1
Самонарезающийся винт 4*25
3
6
454115-9
GEAR HOUSING
1
7
326226-9
SPINDLE
1
8
233330-6
Компрессионная пружина 16
1
9
211247-3
Подшипник 6002DDW
1
10
962151-6
Стопорное кольцо R-32 9555NB/
1
11
227761-9
HELICAL GEAR 37
1
12
961052-5
Стопорное кольцо S-12 9555NB/
1
12
961082-6
Стопорное кольцо WR12
1
13
216001-0
Стальной шарик 3.5
1
14
256251-5
Шпилька 4 NRB 4*8 G2 сорт 0-6
1
15
417819-4
Рычаг переключения для MT811
1
16
454116-7
LEVER CASE
1
17
141899-5
CAM HOUSING COMPLETE(new)
1
17
141899-5
CAM HOUSING COMPLETE(new)
1
18
210005-4
Подшипник 608DDW
1
20
515869-4
ARMATURE ASS'Y 240V
1
21
681652-2
Изоляционная шайба для JR180D/
1
22
210062-2
Подшипник 607ZZ
1
23
456129-4
BAFFLE PLATE(new)
1
23
454119-1
BAFFLE PLATE(верс1)
1
24
593803-4
FIELD ASS'Y 220-240V
1
25
266467-4
Самонарезающий винт 4X50
2
26
454120-6
MOTOR HOUSING
1
27
814D35-7
MT817 NAME PLATE
1
28
646148-0
Конденсатор для MT811/MT601
1
29
191998-3
Угольные щетки CB-85 к MT811
1
30
643566-3
BRUSH HOLDER 5X8(new)
2
31
650555-1
Выключатель для MT811/MT601
1
32
646147-2
Конденсатор для MT811/MT601
1
33
645196-6
NOISE SUPPRESSOR
1
34
454121-4
HANDLE COVER
1
35
266326-2
Самонарезающий винт 4х18(new)
3
36
266326-2
Самонарезающий винт 4х18(new)
2
37
687124-5
Держатель кабеля к 3709/MT360/(new)
1
38
682569-2
Усилитель кабеля 8-85 к 3709/
1
39
665383-1
Кабель резиновый 1.0-2-2.0
1
19
240055-5
Крыльчатка 48 для MT417
1
40
345836-3
CHANGE PLATE
1
1001
415486-9
Ограничитель уровня глубины
1
1002
418163-2
Патрон 10
1
1003
763441-8
Ключ патрона S13
1


Войти Регистрация
Корзина0 позиций на сумму 0 руб.