Новосибирск +7(383) 201-32-02, 201-30-33 Заказать звонок
Адрес: ул.Лермонтова, 47
Время работы: ПН-ПТ 9-18, СБ, ВС - выходной
Войти Регистрация
Корзина0 позиций
на сумму 0 руб.

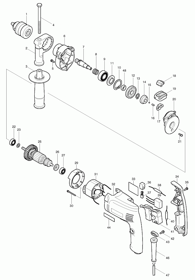
MT811

Артикул
Наименование
Кол.
1
763161-4
Патрон 13мм 1/2 для MT8
1
2
417822-5
Основание бок.ручки
1
3
153503-4
Рукоятка 36 в сборе HR2432(new)
1
4
265495-6
Винт M8X110 к MT11
1
5
266326-2
Самонарезающий винт 4х18(new)
3
6
418393-5
Корпус редуктора для MT811
1
7
324223-9
Шпиндель для модели MT811
1
8
233330-6
Компрессионная пружина 16
1
9
211241-5
Подшипник 6202DD(new)
1
10
962153-2
Стопорное кольцо R-35 2012NB/
1
11
257246-1
Kольцо 19 для MT811
1
12
226586-8
Косозубая шестерня 37(new)
1
12
226554-1
Косозубая шестерня 39(верс1)
1
13
961052-5
Стопорное кольцо S-12 9555NB/
1
14
153299-7
Кулачковая шайба MT811
1
15
216001-0
Стальной шарик 3.5
1
16
256251-5
Шпилька 4 NRB 4*8 G2 сорт 0-6
1
17
345228-6
Пластина переключения к MT811
1
18
417819-4
Рычаг переключения для MT811
1
19
417820-9
Защитный корпус переключателя
1
20
317553-5
Внутренний корпус для MT811
1
21
266326-2
Самонарезающий винт 4х18(new)
3
22
210029-0
Подшипник 608ZZ(new)
1
23
267240-5
Плоская шайба 8 MT601
1
25
619088-5
Pотор 240В для модели MT811
1
26
681662-9
Изоляционная шайба для MT601
1
27
210030-5
Подшипник 627ZZ
1
29
417821-7
Защита статора для MT601/MT811
1
30
266327-0
Винт 3X40 к MT601
2
31
529083-6
Cтатор в сбоpe 240В для MT811
1
32
183702-4
Корпус двигателя в сб. MT811
1
34
417817-8
Крышка рукоятки к MT601/MT811
1
35
266326-2
Самонарезающий винт 4х18(new)
4
36
643552-4
Щеткодержатель 5-8 к 3706/
2
36
643562-1
Щеткодержатель 5x8 для MT811/(верс2)
2
37
191998-3
Угольные щетки CB-85 к MT811
1
38
646148-0
Конденсатор для MT811/MT601
1
39
645195-8
Конденсатор к MT811
1
40
646147-2
Конденсатор для MT811/MT601
1
41
650555-1
Выключатель для MT811/MT601
1
42
266326-2
Самонарезающий винт 4х18(new)
2
43
687123-7
Винт натяжителя цепи к MT560(new)
1
44
819126-5
Этикетка с эмблемой Мактек
1
46
682569-2
Усилитель кабеля 8-85 к 3709/
1
47
666053-5
Кабель пластиковый 1.00-2-2.0
1
48
257173-2
Kольцо 12 для 5604R
1
48
257245-3
Кольцо 12 MT580(верс1)
1
1001
763441-8
Ключ патрона S13
1
1002
418163-2
Патрон 10
1


Войти Регистрация
Корзина0 позиций на сумму 0 руб.