Новосибирск +7(383) 201-32-02, 201-30-33
Адрес: ул.Лермонтова, 47
Время работы: ПН-ПТ 9-18, СБ, ВС - выходной
Войти Регистрация
Корзина0 позиций
на сумму 0 руб.

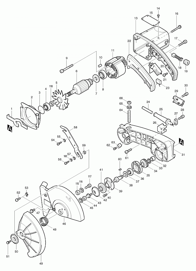
LS1440

Артикул
Наименование
Кол.
1
163100-8
Стопорная ручка LS1440/2400B
1
2
411466-3
Защита статора к LS1440/2400B
1
3
213459-4
О-кольцо 32 резиновое
1
4
211201-7
Подшипник 6002LLB
1
5
241514-2
Крыльчатка 92 для LS1430/2400B
1
6
516728-5
Pотор в сборе 220В для LS1440
1
7
681623-9
Изоляционная шайба к 2012NB/
1
8
211068-3
Подшипник 6200LB
1
9
911290-9
Винт M5X65 для 1002BA/2400B/
2
10
263013-4
Резиновая шпилька 4
1
11
526008-1
Cтатор в сборе к 2400B/LS1440
1
13
141235-5
MOTOR HOUSING COMPLETE(new)
1
13
152937-8
Корпус двигателя в сборе(верс1)
1
14
953106-2
Заклёпка 0-5 для 4110C/1901/
4
15
856017-9
NAME PLATE LS1440
1
16
251335-4
Винт (+) M5X80
4
17
911158-9
Винт M4X30 к 1050D/1125/1901/
4
18
181044-0
Угольные щетки CB-153
1
19
643650-4
Колпачок щеткодерж-ля 6.5-13.5
2
20
651153-4
Выключатель SGE220RD-1 2400B/(new)
1
21
911101-8
Винт M4X6 к 102BA/LS1440/1100/
1
22
410836-3
Крышка рукоятки для LS1440
1
23
645105-5
Фильтр помех 1100/2708/LS1013/
1
24
666066-6
Кабель пластиковый 1.00-2-2.5
1
25
682503-2
Усилитель кабеля 8-90 к 9029S/
1
26
154261-5
деталь для LS1440/LS1020
1
27
687001-1
Держатель кабеля для BO4550/
1
28
911133-5
Винт M4X18 к 1911B
2
29
411467-1
Крышка фиксатора
1
30
911128-8
Винт M4X16
2
31
141615-5
Корпус редуктора для LS1440(new)
1
31
157862-8
Корпус редуктора для LS1440(верс1)
1
32
212113-7
Игольчатый подшипник 7/18
1
33
961060-6
Стопорное кольцо S-20 HR4000C/
1
34
226411-3
Косозубая шестерня 41 к LS1440
1
35
315055-5
Корпус подшипника для LS1440
1
36
211306-3
Подшипник 6204LLB
1
37
253327-9
Тонкая шайба 20
1
38
321729-8
Шпиндель для модели LS1440
1
39
285649-9
Фиксатор подшипника 72 LS1440
1
40
912231-8
Потайной винт M5x20 к LS1440/
4
41
224250-5
Внутренний фланец 90 к LS1440
1
42
224249-0
Наружный фланец 90 для LS1440
1
43
251644-1
Болт фланца шестигранный M8X20
1
44
931302-2
Шестигранная гайка M6 HR2400/
1
45
942151-2
Шайба Гровера 6 к 2400B/2412N/
1
46
141236-3
Кожух диска(new)
1
46
154925-1
BLADE CASE COMPLETE(верс1)
1
47
265324-3
Болт фланца шестигранный M8X12
1
48
231939-8
Пружина 30
1
49
419482-9
Защитный кожух для LS1440
1
50
343358-7
Направ.втулка кожуха безопасн.
1
51
923311-5
Болт с квадр.осн.шляпки M6X12
1
52
911206-4
Винт M5X10 к 4110C/1805B/3620/
2
53
343492-3
деталь
2
54
251333-8
Винт (+) M8
1
55
253878-2
Плоская шайба 10
1
56
251339-6
Винт (+) M8
1
57
257146-5
Kольцо 10 JR140D/180D/LS1440
1
58
343792-1
Направляющая кожуха диска
1
59
253731-2
Плоская шайба 8(new)
1
60
254203-0
Шпонка 4 2400B/5900BR/LS1440
1
61
911121-2
Винт M4X14 для 9522NB/1100/
2
62
251399-8
Винт (+) M5
1
63
411479-4
Опора к LS1440/2400B
1
64
251959-6
Bинт M10x80 LS1440
1
65
941252-3
Плоская шайба 10 к HM1304/2106
1
66
931501-6
Шестигранная гайка M10 LS1440/
1
115
262044-0
Резиновое кольцо 12
1
116
253011-6
Плоская шайба 6
1
117
911216-1
Винт M5X14 для DA6301/3601B/
1
118
267710-4
Шайба 15 для модели LS1440
1
114
253878-2
Плоская шайба 10
1
400
782212-4
Ключ гаечный торцовый 13 5016/
1
402
122330-0
Пылесборник для LS1440
1
403
410602-8
Замок пылесборника для LS1030/
1
500
122563-7
Горизонтальный зажим LS1440/
1
900
321140-4
деталь
1
901
911106-8
Винт M4X8 к 1911B/4301BV/500/
1
908
164836-2
Рычаг стопора
1
909
231297-2
Компрессионная пружина 9
1
910
165129-0
Стопорная пластина для LS1440
1
911
251362-1
Винт (+) с обвязывающей гол.М6
1
912
646071-9
Конденсатор к LS1440
1
913
416437-5
PROTECTOR R
1
914
416438-3
PROTECTOR L
1
915
345694-7
GUARD
1
916
345196-3
Защитный кожух для 9032/LS1440
1
917
266192-7
Самонарезающий винт 4X14
4
918
266192-7
Самонарезающий винт 4X14
1
919
911108-4
Винт M4X8 LS1013/2012NB/2400B/
1
920
266225-8
H.S.SET SCREW(FLAT POINT)M6X8
1
921
251896-4
Bинт M5x20 LS1030
1
922
122540-9
Зажим в сборе LS1214/LS1214F
1


Войти Регистрация
Корзина0 позиций на сумму 0 руб.