Новосибирск +7(383) 201-32-02, 201-30-33 Заказать звонок
Адрес: ул.Лермонтова, 47
Время работы: ПН-ПТ 9-18, СБ, ВС - выходной
Войти Регистрация
Корзина0 позиций
на сумму 0 руб.

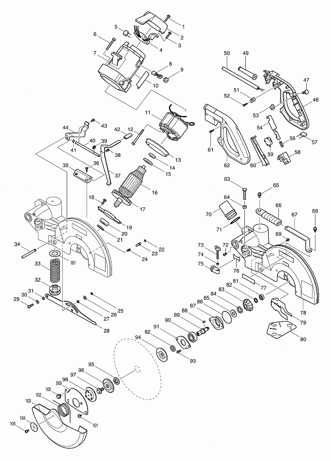
LS1214

Артикул
Наименование
Кол.
1
265995-6
Самонарезающий винт 4X18
2
2
416075-3
Задняя крышка корпуса двигател
1
3
265995-6
Самонарезающий винт 4X18
1
4
631238-2
Контроллер для LS1214/LS1214F
1
5
645105-5
Фильтр помех 1100/2708/LS1013/
1
6
911373-5
Винт M6X50 к LS1013/LS1214/
4
7
153907-0
Корпус мотора для LS1214
1
8
181044-0
Угольные щетки CB-153
1
9
643650-4
Колпачок щеткодерж-ля 6.5-13.5
2
10
860629-2
Описательная этикетка к LS1214
1
11
599508-4
Cтатор в сб. к LS1214/LS1214F
1
12
266059-9
Самонар. винт. фланец PT M5X75
2
13
416264-0
Защита статора LS1214/LS1214F
1
14
211061-7
Подшипник 10/26
1
15
681642-5
Шайба для HR5001C/HM1202C/
1
16
516738-2
Pотор в сборе к LS1214/LS1214F
1
18
911223-4
Винт M5X16 для HR5001C/2030/
2
19
285686-3
Фиксатор подшипника 94 LS1013
1
20
211251-2
Подшипник 6003LLB
1
21
961057-5
Стопорное кольцо S-17 к 9029/
1
22
231928-3
Кольцевая пружина 8
1
23
256633-1
Шпилька 6
1
24
231240-1
Компрессионная пружина 7
1
25
961018-5
Стопорное кольцо E-5 к LS1013/
1
26
253804-1
Плоская шайба 6
1
27
257163-5
Kольцо 6 на LS1013/800D/BLS820
1
28
345419-9
Соединительная пластина
1
29
922331-6
Болт с внутр.шестигран. М6Х20
1
30
253804-1
Плоская шайба 6
1
31
257163-5
Kольцо 6 на LS1013/800D/BLS820
1
32
316470-6
Держатель пружины
1
33
233424-7
Компрессионная пружина 34
1
34
324458-2
Стопорный штифт 8 для LS1214/
1
35
418610-3
Направляющая тяги стопора
1
36
266034-5
Самонарезающий винт CT4X16
2
37
345855-9
LOCK LEVER(new)
1
37
345416-5
Рычаг стопора к LS1214/LS1214F(верс1)
1
38
922107-1
Болт с внутр.шестигран.М4Х8
2
38
911113-1
Винт M4X10 для LS1013/1911B/
2
39
961012-7
Стопорное кольцо E-6 к BLS820/
1
40
324459-0
Тяга рычага стопора к LS1214/
1
41
231633-2
Торсионная пружина 8
1
42
421589-9
Крышка маслянного канала
1
43
911113-1
Винт M4X10 для LS1013/1911B/
2
44
345417-3
Замковая пластина для LS1214/
1
47
411478-6
Кнопочный выключатель к 2414B/(верс1)
1
48
183840-2
Рукоятка корпуса LS1214
1
49
682540-6
Усилитель кабеля 9.3-90 2030/
1
50
665865-3
Кабель резиновый 1.0-2-2.5
1
51
687052-4
Прижимная пластина к HR2450/
1
52
265995-6
Самонарезающий винт 4X18
2
53
414546-4
Наковальня для LS1013/LS1040/
1
54
416000-4
Рычаг предохранителя к LS1013/
1
56
231457-6
Компрессионная пружина 3
1
57
645200-1
Фильтр помех для 5012B/HR2400/
1
58
651923-1
Выключатель TG70B для LS1013/
1
59
651941-9
Выключатель V-15-2A5 к LS1013/
1
60
415999-0
Рычаг выключателя для LS1013/
1
61
265995-6
Самонарезающий винт 4X18
6
62
183840-2
Рукоятка корпуса LS1214
1
63
921467-8
Болт с шестигранной гол. M8X45
1
64
262003-4
Резиновое кольцо 6 на LS1013/
1
65
911323-0
Винт M6X16
1
66
421562-9
Боковая ручка
1
67
344420-1
Держатель ролика для LS1013/
1
68
911323-0
Винт M6X16
1
69
911114-9
Винт M4X10 к LS1013/1125/2012/
1
70
419277-0
Патрубок для пылесоса LS1013/(new)
1
70
416133-5
Переходник пылесборника(верс1)
1
71
213460-9
О-кольцо 35 резиновое
1
72
911113-1
Винт M4X10 для LS1013/1911B/
1
73
265717-4
Винт M6x43
1
74
262001-8
Уретановое кольцо 5
1
75
317176-9
STOPPER ARM
1
76
344045-1
деталь
1
77
819215-6
Этикетка MAKITA для LS1214(new)
1
77
819064-1
Этикетка с эмблемой Макита M
1
78
188377-4
Кожух диска LS1214(new)
1
78
183843-6
Кожух диска(верс1)
1
79
345611-7
Панель ограждения для LS1214/(new)
1
79
345415-7
Защитная пластина для LS1214/(верс1)
1
80
421916-0
Защитная пластина для LS1013/
1
80
423332-2
Защитная пластина для LS1214/(верс1)
1
81
211031-6
Подшипник 608LLB
1
82
961054-1
Стопорное кольцо S-14 HR5001C/
1
83
226750-1
Коническая спирал. шестерня 35
1
84
262074-1
Резиновое кольцо 20
1
85
267035-6
Плоская шайба 14 для LS1013/
1
86
213675-8
Резиновое кольцо 54
1
87
316473-0
Корпус подшипника для LS1214/
1
88
254202-2
Шпонка 4
1
89
322989-5
Шпиндель для LS1214/LS1214F
1
90
211278-2
Подшипник 17/40 GA9030
1
91
285828-9
Фиксатор подшипника 66 LS1013/
1
92
257022-3
Кольцо 16 для LS1013/1030/1040
1
93
911223-4
Винт M5X16 для HR5001C/2030/
2
94
224398-3
Фланец 61
1
95
257262-3
Кольцо 16
1
96
224398-3
Фланец 61
1
97
265405-3
Болт фланец шестигранныйM10X20(верс1)
1
98
344473-0
Крепление кожуха для LS1214/
1
99
344038-8
Основание кожуха безопасности
1
100
265324-3
Болт фланца шестигранный M8X12
1
101
265008-3
Винт (+) с плоской головкой М5
1
102
231613-8
Торсионная пружина 45
1
103
450131-9
Защитный кожух для LS1214F/(new)
1
103
418614-5
Предохранительный кожух(верс1)
1
104
253977-0
Плоская шайба 6 LS0810/LS1030
1
105
911213-7
Винт M5X12 для LS1013/1805B/
1
181
253791-4
Плоская шайба 25
1
17
240001-8
Крыльчатка 80 для LS1013
1
1001
122852-0
Пылесборник для LS1016(new)
1
1001
122523-9
Пылесборник LS1013/1040(ткань)(верс1)
1
1002
122540-9
Зажим в сборе LS1214/LS1214F
1
1003
153896-9
Дополнительный упор для LS1214
1
1004
411478-6
Кнопочный выключатель к 2414B/(верс1)
2
1005
762001-3
Треугольник для установки ножа
1
1006
251887-5
Bинт M6x10 LS1013/
2
1007
322932-4
Держатель 255 для LS1013/
2
1008
B-04606
Диск 305x30/15.9x2.7x70T дер.(new)
1
1008
B-03822
Диск 305x30/15.88x2.6x60T дер(верс1)
1
1009
782212-4
Ключ гаечный торцовый 13 5016/
1


Войти Регистрация
Корзина0 позиций на сумму 0 руб.