Новосибирск +7(383) 201-32-02, 201-30-33 Заказать звонок
Адрес: ул.Лермонтова, 47
Время работы: ПН-ПТ 9-18, СБ, ВС - выходной
Войти Регистрация
Корзина0 позиций
на сумму 0 руб.

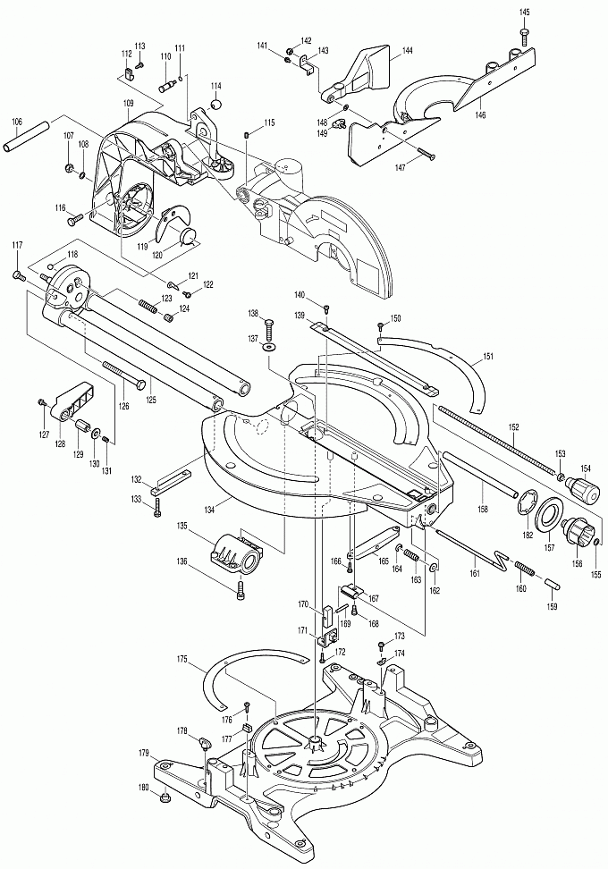
LS1214

Артикул
Наименование
Кол.
106
331428-4
Трубка 16-113 к LS1013/2414NB/(new)
1
106
331428-4
Трубка 16-113 к LS1013/2414NB/(new)
1
107
252105-4
Шестигр.стопорная гайка М8-13
1
108
941201-0
Плоская шайба 8 к LS1013/4131/
1
109
317984-8
Держатель корпуса мотора(new)
1
109
317756-1
Держатель корпуса мотора(верс1)
1
110
322629-5
Штифт упора для LS1214/LS1214F
1
111
213011-8
О-кольцо 7 резиновое LS1214
1
112
687042-7
Держатель кабеля LS1013/2012NB
1
113
266026-4
Самонарез винт зажимной CT4X12
1
114
271601-3
Ручка-регулятор 20 для LS1013/
1
115
251961-9
Болт с внутр. шестигран. M6X10
1
116
265455-8
Болт с шестигранной гол. M8X28
2
117
265412-6
Болт с шестигранной гол. M8X20(new)
2
118
216003-6
Стальной шарик 10
2
119
345418-1
Направляющая пластина LS1214/
1
120
231626-9
Торсионная пружина 28
1
121
413067-3
Стрелка индикатора для LS1013/
2
122
911114-9
Винт M4X10 к LS1013/1125/2012/
2
123
233168-9
Компрессионная пружина 5
2
124
266131-7
Болт M12X12 с внутр.шестигран.
2
125
151459-5
Корпус натяжителя LS1013
1
126
251662-9
Болт с шестигранной голM10X100
1
127
911113-1
Винт M4X10 для LS1013/1911B/
1
128
416006-2
Рычаг 100 для LS1013/LS1040/
1
129
252144-4
Шестигр. гайка M10-17
1
130
253024-7
Плоская шайба 10
1
131
231266-3
Компрессионная пружина 5
1
132
152542-1
Квадратный шток на LS1013
1
133
921356-7
Болт с шестигранной гол. M6X35
2
134
153832-5
Вращающееся основание LS1013/
1
135
152540-5
Корпус подшипника в сб. LS1013
1
136
922451-6
Болт с внутр.шестигран. М8Х30
2
137
253852-0
Плоская шайба 8
1
138
265442-7
Болт с шестигранной гол. M8X40
1
139
415209-5
Планка для LS1013/ LS1214/
2
140
266026-4
Самонарез винт зажимной CT4X12
4
141
911108-4
Винт M4X8 LS1013/2012NB/2400B/
1
142
252014-7
Шестигр. гайка M6-10
1
143
344463-3
Пластина напр.угольника LS1013
1
144
153890-1
Дополнительный упор для LS1214
1
145
265488-3
Болт с шестигранной гол. M8X30
4
146
317757-9
Направляющий упор для LS1214/
1
147
912357-6
Потайной винт М6Х35 LS1013/
1
148
253715-0
Плоская шайба 6
1
149
251887-5
Bинт M6x10 LS1013/
1
150
266026-4
Самонарез винт зажимной CT4X12
2
151
816326-8
Измерит. шкала LS1013/1214F
1
152
266132-5
Винт M8x320 для LS1013/LS1014/
1
153
931402-8
Шестигранная гайка M8 HR5001C/
1
154
271314-6
Боковая рукоятка 40 к LS1013/
1
155
941201-0
Плоская шайба 8 к LS1013/4131/
1
156
152541-3
Ручка-регулятор 48 LS1013
1
157
421863-5
Крышка маслянного канала
1
158
331491-7
Трубка 9-200 к LS1013/LS1214/(new)
1
158
331491-7
Трубка 9-200 к LS1013/LS1214/(new)
1
159
421563-7
Наконечник рычага 10 к LS1013/
1
160
322924-3
Пружина для LS1013/LS1214/
1
161
322909-9
Штифт стопора к LS1013/LS1214/
1
162
253804-1
Плоская шайба 6
1
163
231307-5
Компрессионная пружина 6
1
164
961018-5
Стопорное кольцо E-5 к LS1013/
1
165
316899-6
Корпус шпилек для LS1013
1
166
266034-5
Самонарезающий винт CT4X16
2
167
344411-2
Стопор скольжения для LS1013/
1
168
251267-5
Винт (+) М6
1
169
256196-7
Шпилька 5
1
170
331493-3
Фиксатор для LS1013/LS1214/
1
171
344412-0
Держатель упора для LS1013/
1
172
266034-5
Самонарезающий винт CT4X16
1
173
266026-4
Самонарез винт зажимной CT4X12
1
174
816128-2
Указатель для LS1013/5103R/
1
175
344477-2
Пластина скольжения к LS1013/
2
176
266034-5
Самонарезающий винт CT4X16
1
177
232075-3
Плоская пружина
1
178
251887-5
Bинт M6x10 LS1013/
2
179
153889-6
Основание в сборе для LS1214
1
180
286212-1
Резиновый наконечник 20
4
182
345494-5
Стопорное кольцо для LS1214/
1
17
240001-8
Крыльчатка 80 для LS1013
1
1001
122852-0
Пылесборник для LS1016(new)
1
1001
122523-9
Пылесборник LS1013/1040(ткань)(верс1)
1
1002
122540-9
Зажим в сборе LS1214/LS1214F
1
1003
153896-9
Дополнительный упор для LS1214
1
1004
411478-6
Кнопочный выключатель к 2414B/(верс1)
2
1005
762001-3
Треугольник для установки ножа
1
1006
251887-5
Bинт M6x10 LS1013/
2
1007
322932-4
Держатель 255 для LS1013/
2
1008
B-04606
Диск 305x30/15.9x2.7x70T дер.(new)
1
1008
B-03822
Диск 305x30/15.88x2.6x60T дер(верс1)
1
1009
782212-4
Ключ гаечный торцовый 13 5016/
1


Войти Регистрация
Корзина0 позиций на сумму 0 руб.