Новосибирск +7(383) 201-32-02, 201-30-33 Заказать звонок
Адрес: ул.Лермонтова, 47
Время работы: ПН-ПТ 9-18, СБ, ВС - выходной
Войти Регистрация
Корзина0 позиций
на сумму 0 руб.

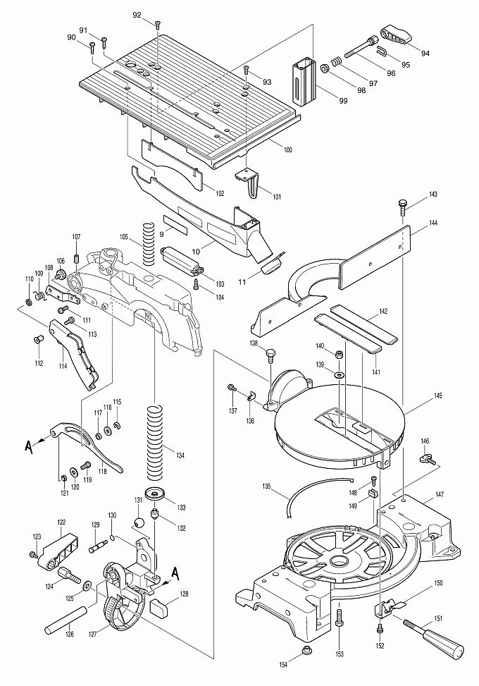
LH1040F

Артикул
Наименование
Кол.
9
819064-1
Этикетка с эмблемой Макита M
1
10
187136-3
Защитная крышка с пылеотводом(new)
1
10
183881-8
Защитная крышка с пылеотводом(верс1)
1
11
421362-7
Крышка маслянного канала
1
90
265995-6
Самонарезающий винт 4X18
3
91
265995-6
Самонарезающий винт 4X18
2
92
912222-9
Потайной винт M5X16 к BO3700/
4
93
912222-9
Потайной винт M5X16 к BO3700/
4
94
272230-5
Рычаг 54 к 5103R/5143R/5603R/
1
95
231955-0
Кольцевая пружина 12
1
96
331681-2
Стопорный болт M8x70 к LH1040
1
97
233042-1
Компрессионная пружина 14
1
98
257675-8
Втулка 8
1
99
317779-9
Опора стола для модели LH1040
1
100
141630-9
Стол в сборе LH1040(new)
1
100
153992-3
Стол в сборе LH1040(верс1)
1
101
165388-6
Опорная пластина стола LH1040
2
102
453029-9
Пластина стола для LH1040(new)
1
102
418619-5
Пластина стола для LH1040(верс1)
1
103
631611-6
Электрическая плата к LH1040F
1
104
266034-5
Самонарезающий винт CT4X16
4
105
233415-8
Компрессионная пружина 21
1
106
251812-6
Bинт креп.парал.упора 164371-0
1
107
251961-9
Болт с внутр. шестигран. M6X10
1
108
345425-4
Предохранительная ручка
1
109
231675-6
Торсионная пружина 11
1
110
267070-4
Плоская шайба 10 для 4603D/
1
111
911223-4
Винт M5X16 для HR5001C/2030/
2
112
324497-2
Предохранительная втулка(верс1)
1
113
911223-4
Винт M5X16 для HR5001C/2030/
1
114
345426-2
Защитная ручка для LH1040
1
115
961018-5
Стопорное кольцо E-5 к LS1013/
1
116
253804-1
Плоская шайба 6
1
117
257163-5
Kольцо 6 на LS1013/800D/BLS820
1
118
344377-6
Соединительная пластина
1
119
265984-1
Болт с внутр.шестигран. M6
1
120
253823-7
Плоская шайба 7
1
121
257162-7
Шайба 7 для LS1040/LS1030
1
122
416006-2
Рычаг 100 для LS1013/LS1040/
1
123
911113-1
Винт M4X10 для LS1013/1911B/
1
124
265437-0
Болт с шестигранной головк.M10
1
125
253024-7
Плоская шайба 10
1
126
256836-7
Cтержень 16 LS1040/F
1
127
141139-1
Кронштейн корпуса редуктора(new)
1
127
154463-3
Кронштейн корпуса редуктора(верс1)
1
128
421867-7
Крышка маслянного канала
1
129
324183-5
Штифт упора для LS1014/LH1040/
1
130
213021-5
О-кольцо 5 резиновое LS1013/
1
131
271601-3
Ручка-регулятор 20 для LS1013/
1
132
256280-8
Шпилька 8
1
133
344464-1
Держатель пружины для LS1013/
1
134
233414-0
Компрессионная пружина 27
1
135
343799-7
Пластина скольжения к LS1040F/
3
136
344385-7
Указатель для LS1040/LH1040/
1
137
911113-1
Винт M4X10 для LS1013/1911B/
1
138
265455-8
Болт с шестигранной гол. M8X28
2
139
253762-1
Плоская шайба 8 LS1040/F
1
140
252105-4
Шестигр.стопорная гайка М8-13
1
141
453028-1
Планка для модели LS1040(new)
1
141
418615-3
Планка для модели LH1040(верс1)
1
142
453028-1
Планка для модели LS1040(new)
1
142
418615-3
Планка для модели LH1040(верс1)
1
143
265488-3
Болт с шестигранной гол. M8X30
4
144
319200-4
GUIDE FENCE(new)
1
144
318895-0
Направляющий упор(верс3)
1
144
318798-8
Направляющий упор для LH1040(верс2)
1
144
317782-0
Направляющий упор для LH1040(верс1)
1
145
318800-7
Вращающееся основание LS1040(new)
1
145
316824-7
Вращающееся основание LS1040/(верс1)
1
146
265708-5
Винт M6x20
1
147
141140-6
Держатель для LH1040(new)
1
147
153998-1
Основание в сборе LH1040(верс1)
1
148
266034-5
Самонарезающий винт CT4X16
1
149
232075-3
Плоская пружина
1
150
344381-5
Пружинный фиксатор для LS1040/
1
151
273495-2
Боковая ручка 32 для LS1040F/
1
152
911213-7
Винт M5X12 для LS1013/1805B/
2
153
921452-1
Болт с шестигранной гол. M8X30
1
154
286212-1
Резиновый наконечник 20
4
42
241909-9
Крыльчатка 80 для LS1040
1
1001
122472-0
Установочный кронштейн LH1040(верс1)
1
1002
122852-0
Пылесборник для LS1016(new)
1
1002
122523-9
Пылесборник LS1013/1040(ткань)(верс1)
1
1003
122707-9
Линейка в сборе для LH1040
1
1004
257022-3
Кольцо 16 для LS1013/1030/1040
1
1005
762001-3
Треугольник для установки ножа
1
1006
122716-8
Пластина
1
1007
322312-4
Держатель для LS1030/LS1040/
1
1008
416772-1
Толкатель заготовки к LH1040/
1
1009
453727-5
Кожух диска для LH1040(new)
1
1009
418626-8
Кожух диска для LH1040(верс1)
1
1010
D-46408
(new)
1
1010
B-03838
Диск 260x30x60T(верс1)
1
1011
782212-4
Ключ гаечный торцовый 13 5016/
1


Войти Регистрация
Корзина0 позиций на сумму 0 руб.