Новосибирск +7(383) 201-32-02, 201-30-33
Адрес: ул.Лермонтова, 47
Время работы: ПН-ПТ 9-18, СБ, ВС - выходной
Войти Регистрация
Корзина0 позиций
на сумму 0 руб.

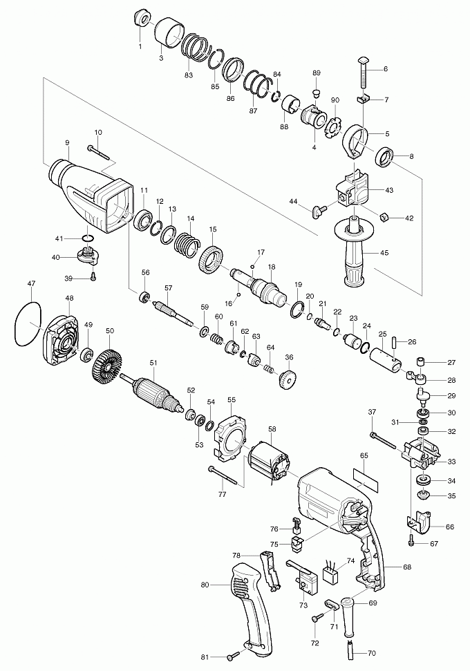
HR2410

Артикул
Наименование
Кол.
1
286265-0
Резиновый наконечник 31
1
1
286248-0
Резиновый наконечник 31(верс3)
1
1
286251-1
Резиновый наконечник 37(верс2)
1
1
286240-6
Резиновый наконечник 37(верс1)
1
3
416410-5
Кожух муфты для HR160D/HR2400/
1
3
415076-8
Муфта к HR160D/HR2000/HR2400/
1
4
323820-8
Муфта ствола к HR3000C/HR2010/
1
4
152470-0
Муфта к HR2010/HR2410(верс1)
1
5
344205-5
Ремень к HR2010/HR2410/HR2413/
1
6
266092-1
Болт с квадратной голов. M8X60
1
7
267719-6
Шайба квадратного сечения 9
1
8
213313-2
Сальник 20 HR2010/HR2410/13/
1
9
150965-7
Корпус редуктора в сборе(new)
1
9
159759-7
Корпус редуктора в сб. HR2410(верс1)
1
10
266069-6
Самонарез. винт. фланец PT4X45
4
11
211323-3
Подшипник 6904LLU
1
12
231962-3
Кольцевая пружина 26
1
13
267132-8
Плоская шайба 29 для HR2410/
1
14
233109-5
Компрессионная пружина 29
1
15
226290-9
Прямозубая шестерня 48
1
16
216022-2
Стальной шарик 7.0
1
16
216009-4
Стальной шарик 7.1
1
17
216011-7
Стальной шарик 5.6
4
18
323822-4
Ствол к HR2410/HR2413/HR2430/(new)
1
18
322744-5
Ствол для модели HR2410(верс1)
1
19
267129-7
Плоская шайба 27 для HR2410/
1
20
213063-9
О-кольцо 10 резиновое
1
21
323818-5
Боек для HR2410/HR2413/HR2430/
1
21
322739-8
Боек для модели HR2410/HR2010(верс1)
1
22
213117-2
О-кольцо 11 резиновое HR2410/
1
23
322740-3
Ударник для HR2410/HR2413/
1
24
213214-4
О-кольцо 16 резиновое HR2400/
1
25
331446-2
Цилиндр поршня для HR2410/
1
26
256099-5
Шпилька 6
1
27
212005-0
Игольчатый подшипник 810
1
28
331447-0
Шатун к HR2410/HR2413/HR2430/
1
29
322741-1
Кривошип для HR2410/HR2413/
1
30
211098-4
Подшипник 699ZZ
1
31
267130-2
Плоская шайба 9 для HR2410/
1
32
211099-2
Подшипник 689ZZ
1
33
159761-0
Корпус кривошипа HR2410/HR2413
1
34
212110-3
Опорный игольч. подшипник 1224
1
35
226726-8
Конич. прямозуб. шестерня 12
1
36
226434-1
Косозубая шестерня 31
1
37
911576-1
Винт M4x50 для HR2410/HR2430/
3
39
251392-2
Винт (+) M4
1
40
152471-8
Рычаг переключ.HR2410/30/31
1
41
213261-5
О-кольцо 17 резиновое
1
42
931202-6
Шестигранная гайка M5 HR2430/
1
43
415658-6
Основание бок. ручки к HR2410/
1
44
265720-5
Винт-барашек M5X14
1
45
135344-0
Боковая ручка 36 для HR2410(new)
1
45
134777-6
Боковая ручка 36 для HR2410(верс1)
1
47
213720-9
О-кольцо 67 резиновое
1
48
159760-2
Внутренний корпус HR2410/13
1
49
211051-0
Подшипник 609LLB
1
50
241883-1
Крыльчатка 60 для HR2410
1
51
517403-6
Pотор в сбope к HR2410/HR2413(new)
1
51
517143-6
Pотор в сбope к HR2410/HR2413(верс1)
1
52
681661-1
Изоляционная шайба(верс1)
1
52
681600-1
Изоляционная шайба для HR2430/
1
53
211021-9
Подшипник 607LLB
1
54
253842-3
Плоская шайба 14
1
55
415628-5
Защита статора для HR2410/
1
56
211012-0
Подшипник 606ZZ
1
57
226293-3
Прямозубая шестерня 10
1
58
633313-0
Cтатор 220B для HR2410/HR2430
1
59
253744-3
Плоская шайба 12
1
60
233089-5
Компрессионная пружина 12
1
61
322743-7
Муфта сцепления для HR2410/(new)
1
61
322939-0
Муфта сцепления к HR2410/30/31(верс2)
1
61
322743-7
Муфта сцепления для HR2410/(new)
1
62
267131-0
Плоская шайба 8 для HR2410/
1
63
226725-0
Конич. прямозуб. шестерня 14
1
64
233110-0
Компрессионная пружина 8
1
65
857630-6
Маркировочная табличка HR2410
1
66
415630-8
Крышка редуктора для HR2410/
1
67
911526-6
Винт M4x16 для HR2410/HR2430/
2
68
416970-7
Корпус двигателя для HR2410/(new)
1
68
415626-9
Корпус двигателя HR2410/HR2413(верс1)
1
69
682516-3
Усилитель кабеля 9.3-85
1
70
665865-3
Кабель резиновый 1.0-2-2.5
1
71
687124-5
Держатель кабеля к 3709/MT360/(new)
1
71
687052-4
Прижимная пластина к HR2450/
1
71
687063-9
Зажим кабеля желтый (ME25)
1
72
265995-6
Самонарезающий винт 4X18
2
73
650514-5
Выключатель TG803BLA-1 HR2410/(new)
1
73
651973-6
Выключатель J2MK711X(верс4)
1
73
651973-6
Выключатель J2MK711X(верс4)
1
73
651973-6
Выключатель J2MK711X(верс4)
1
73
651933-8
Выключатель 8653C711X /HP2410(верс1)
1
74
645253-0
Фильтр помех для 9542/HR2450/
1
75
643923-5
Щеткодержатель для HR2430/
2
76
191962-4
Угольные щетки CB-419
1
77
266052-3
Самонарез. винт. фланец PT4X60
2
78
415629-3
Рычаг выключателя для HR2410/
1
80
415627-7
Крышка рукоятки для HR2410/
1
81
266045-0
Самонарез. винт. фланец PT4X20(new)
4
83
233203-3
Компрессионная пружина 38
1
84
231979-6
Кольцевая пружина 17
1
85
231936-4
Кольцевая пружина 30.5
1
86
323819-3
Опора пружины для HR3000C/
1
87
233234-2
Компрессионная пружина 35
1
88
232190-3
Плоская пружина 26 HR2400/
1
88
232190-3
Плоская пружина 26 HR2400/
1
89
256447-8
Шпилька 8
1
90
344690-2
Направляющая шайба для HR2410/
1
79
819063-3
Этикетка с эмблемой Макита S
1
1001
321144-6
Ограничитель уровня глубины
1
1002
824611-5
PLASTIC CARRYING CASE(верс1)
1
1002
824445-6
Пластиковый чемодан HR2400/10
1
2001
134925-7
CHOKE COIL ASSY
1
2002
134926-5
CHOKE COIL ASSY
1
5006
646161-8
CHOKE COIL(верс2)
1
5006
646089-0
CHOKE COIL(верс1)
1
5007
646160-0
CHOKE COIL(верс2)
1
5007
646088-2
CHOKE COIL(верс1)
1
5009
122573-4
Адаптер для патрона 1/2SDS
1
5010
192892-2
Быстрозажим.патрон 13 мм 1/2
1
5011
122823-7
KEYLESS DRILL CHUCK ASSEMBLY
1


Войти Регистрация
Корзина0 позиций на сумму 0 руб.