Новосибирск +7(383) 201-32-02, 201-30-33 Заказать звонок
Адрес: ул.Лермонтова, 47
Время работы: ПН-ПТ 9-18, СБ, ВС - выходной
Войти Регистрация
Корзина0 позиций
на сумму 0 руб.

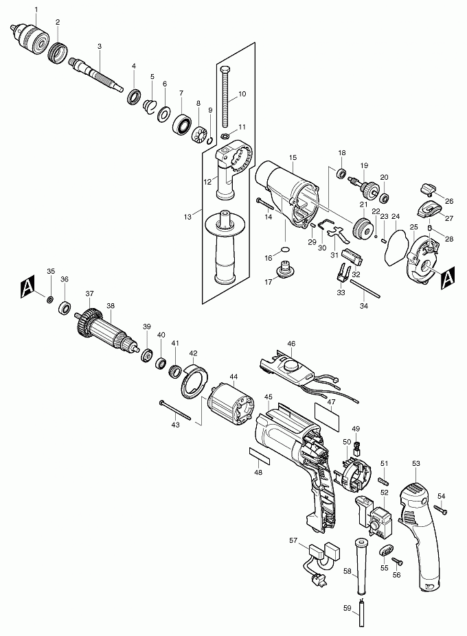
HP2070F

Артикул
Наименование
Кол.
1
193822-6
Зажимной патрон дрели S13
1
2
285839-4
Фиксатор подшипника к HP2050/
1
3
324247-5
Шпиндель для HP2050/HP2051/
1
4
213314-0
Сальник 19 HP2030/50/F/51/70/
1
5
233921-3
Конич. компресс. пружина
1
6
345224-4
Чашкообразная шайба 15 HP2050/
1
7
211206-7
Подшипник 15/35
1
8
223141-7
Наковальня A HP2070/F/HP2071/F
1
9
233920-5
Кольцевая пружина 11 HP2050/
1
10
921923-8
Болт с шестигранной гол.M8x120(new)
1
11
345280-4
Шестигранная шайба для HR2450/
1
12
417630-4
Основание бок. ручки к HR2450/
1
14
266053-1
Самонарез. винт. фланец PT4X35
3
15
153621-8
Корпус редуктора в сб. HP2070/
1
16
213122-9
О-кольцо 12
1
17
417805-5
Рычаг переключения В к HP2050/
1
18
211012-0
Подшипник 606ZZ
1
18
211014-6
Подшипник 606(верс1)
1
19
153622-6
Шестерни в сб. DP4010/HP2070/
1
20
211012-0
Подшипник 606ZZ
1
20
211014-6
Подшипник 606(верс1)
1
21
227119-2
Прямозубая шестерня 29-37(new)
1
21
227030-8
Прямозубая шестерня 29-37
1
22
216001-0
Стальной шарик 3.5
1
23
256251-5
Шпилька 4 NRB 4*8 G2 сорт 0-6
1
24
421810-6
Резиновая прокладка к HP2050/
1
25
153620-0
Крышка корпуса редукт.HP2050/
1
26
418083-0
Рычаг переключения А к HP2050/
1
27
417802-1
Защитный корпус переключателя
1
28
263002-9
Резиновая шпилька 4
1
29
256251-5
Шпилька 4 NRB 4*8 G2 сорт 0-6
1
30
232143-2
Плоская пружина
1
31
345225-2
Стопорная пластина для HP2050/
1
32
417804-7
Держатель 12 к HP2050/DP4010/
1
33
345223-6
Пластина переключения В HP2050
1
34
268092-7
Шпилька 4 для HP2050/HP2051/
1
35
262087-2
Кольцо 8
1
36
210005-4
Подшипник 608DDW
1
38
517464-6
Pотор в сбope к HP2070/HP2071/
1
39
681636-0
Изоляционная шайба для HR2450/
1
40
211021-9
Подшипник 607LLB
1
41
421494-0
Резиновое кольцо 19 к HR2450/
1
42
418269-6
Защита статора для HP2070/
1
43
266004-4
Самонарез. винт. фланец PT4X70
2
44
633573-4
Cтатор для HP2071/HP2070/
1
45
183658-1
Корпус двигателя HP2070F/2071F
1
46
631534-8
Контроллер к HP2070F/HP2071F/
1
47
850577-3
HP2070F NAME PLATE
1
48
819063-3
Этикетка с эмблемой Макита S
1
49
191962-4
Угольные щетки CB-419
1
50
638413-1
Щеткодержатель для HP2071F/(new)
1
50
638236-7
Щеткодержатель к HP2070/2071/(верс1)
1
51
686038-5
Клемма к HP1620/HP1621/HP2070/
2
52
650212-1
Выключатель к HP2070/HP2071/
1
53
418273-5
Крышка рукоятки для HP2070/
1
54
265999-8
Самонарез. винт. фланец 4X25(верс2)
3
55
687124-5
Держатель кабеля к 3709/MT360/(new)
1
55
687052-4
Прижимная пластина к HR2450/
1
56
265995-6
Самонарезающий винт 4X18
2
57
631545-3
Лампа подсветки HP2070F/2071F/(new)
1
58
682559-5
Усилитель кабеля 8 для 9558NB/
1
59
665394-6
Кабель резиновый 1.0-2-2.5
1
13
135302-6
Боковая ручка
1
13
134943-5
Боковая ручка 36 в сборе(верс3)
1
37
240065-2
Крыльчатка 52
1
1001
324219-0
Ограничитель уровня глубины
1
1002
410102-8
Патрон
1
1003
763430-3
Ключ к патрону S13 к HP2050/
1
1004
824650-5
Пластиковый чемодан HR2450
1


Войти Регистрация
Корзина0 позиций на сумму 0 руб.