Новосибирск +7(383) 201-32-02, 201-30-33 Заказать звонок
Адрес: ул.Лермонтова, 47
Время работы: ПН-ПТ 9-18, СБ, ВС - выходной
Войти Регистрация
Корзина0 позиций
на сумму 0 руб.

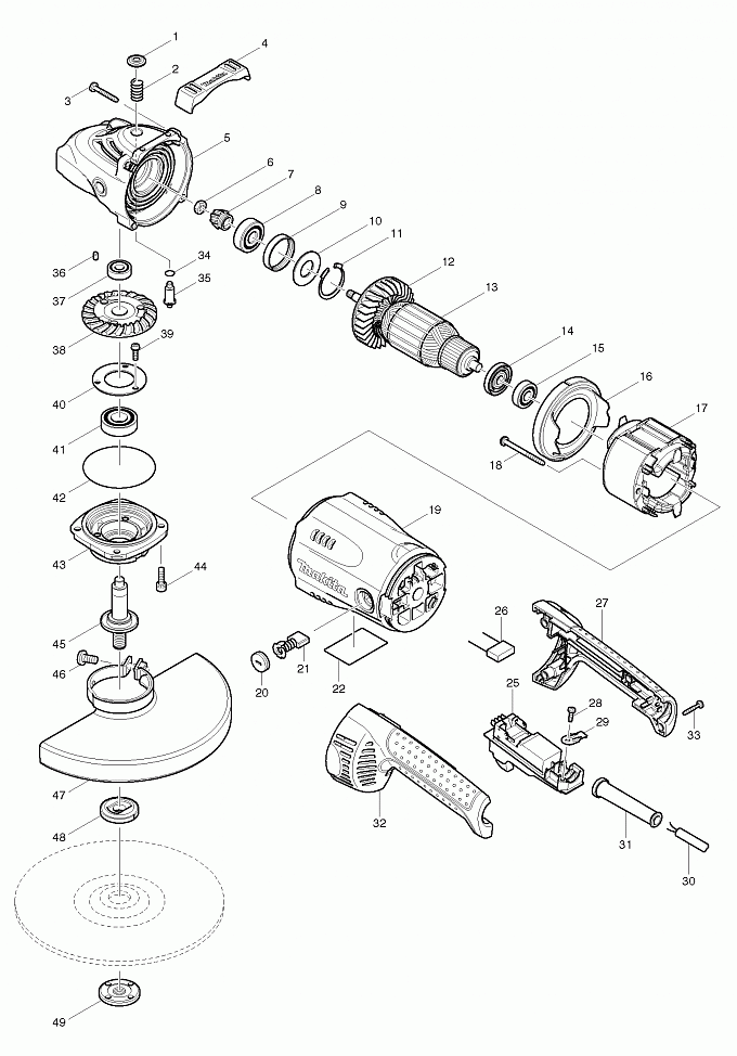
GA9020

Артикул
Наименование
Кол.
1
419133-4
Кнопка стопорного штифта(new)
1
1
416449-8
Кнопка стопорного штифта
1
1
419133-4
Кнопка стопорного штифта(new)
1
2
233292-8
Компрессионная пружина 12
1
3
266012-5
Самонарез. винт. фланец 5X35
4
3
266373-3
Самонарезающийся винт 5X35
4
4
419144-9
Упор к GA7020/GA7030/GA9020/
1
5
154685-5
Корпус редуктора в сборе(new)
1
5
154685-5
Корпус редуктора в сборе(new)
1
5
154685-5
Корпус редуктора в сборе(new)
1
6
252194-9
Шестигранная гайка M8
1
7
227490-4
Коническая спирал. шестерня 12
1
8
211132-0
Подшипник 12/37
1
9
262085-6
Резиновое кольцо 38 9077/9079
1
10
267299-2
Плоская шайба 20 для GA7020/
1
11
962211-4
Стопорное кольцо R-42 HR3000C/
1
13
517793-7
Ротор в сборе к GA9020(new)
1
13
516943-1
Pотор в сборе к GA7020/GA9020(верс1)
1
14
681630-2
Изоляционная шайба для 9069S/
1
15
210075-3
Шариковый подшипник
1
16
419135-0
Защита статора для GA7020/
1
17
526179-4
Cтатор в сбоpe 240V к GA9020(new)
1
17
526159-0
Статор в сборе к GA7020/GA9020(верс2)
1
17
526159-0
Статор в сборе к GA7020/GA9020(верс2)
1
18
266044-2
Самонарезающий винт 5X60
2
18
266329-6
Самонарезающий винт 5x80(верс1)
2
19
154671-6
Корпус двигателя в сборе
1
20
643700-5
Колпачок щеткодержателя 7-18
2
21
191957-7
Угольные щетки CB-204 автооткл
1
22
861762-3
GA9020 NAME PLATE
1
25
650100-2
Выключатель TG08-1300-011(new)
1
25
650102-8
Выключатель(верс3)
1
25
650100-2
Выключатель TG08-1300-011(new)
1
25
651173-8
Выключатель 1267.5113 к 9077/(new)
1
26
645088-9
Фильтр помех к 9067/9027/9079/
1
27
188059-8
Рукоятка в сборе
1
28
266192-7
Самонарезающий винт 4X14
1
28
266385-6
Самонарезающий винт 4X14
1
29
687169-3
Фиксатор кабеля для GA7020/
1
30
695107-1
Кабель резиновый 1.5-2-2.5
1
31
682560-0
Усилитель кабеля 10 к GA9020/
1
32
188059-8
Рукоятка в сборе
1
33
265999-8
Самонарез. винт. фланец 4X25(верс2)
4
33
266374-1
Самонарезающийся винт 4*25
4
34
213062-1
О-кольцо 9 резиновое BSR730
1
35
256491-5
Шпилька 5(new)
1
35
256499-9
Шпилька 5(верс2)
1
35
256491-5
Шпилька 5(new)
1
36
263002-9
Резиновая шпилька 4
1
37
210067-2
Подшипник 10/26(new)
1
38
227491-2
Коническая спирал. шестерня 53
1
39
265120-9
Винт М5x16
3
40
285724-1
Фиксатор подшипника 50 GA7020/
1
41
211285-5
Подшипник
1
42
213760-7
О-кольцо 78 резиновое HR2010
1
43
317988-0
Корпус подшипника для GA9020(new)
1
43
318377-2
Корпус подшипника для GA9020(верс2)
1
43
317988-0
Корпус подшипника для GA9020(new)
1
44
265541-5
Болт с внутр.шестигран.
4
45
158206-5
Шпиндель к GA7020(new)
1
45
154682-1
Шпиндель в сборе(верс1)
1
46
265158-4
Винт (+) M8X25(new)
1
46
265198-2
Винт (+) M8X25(new)
1
46
265158-4
Винт (+) M8X25(new)
1
47
154672-4
Кожух диска 230 в сборе(new)
1
47
122891-0
Защитный кожух диска(верс2)
1
47
154672-4
Кожух диска 230 в сборе(new)
1
48
224415-9
Внутренний фланец(new)
1
48
122444-5
Суперфланец(верс1)
1
49
224543-0
Гайка прижимная 14-45(верс1)
1
12
240081-4
Крыльчатка 80
1
50
233946-7
Кольцевая пружина 15
1
51
804Y42-4
CLEAR LABEL(new)
1
51
819357-6
CLEAR LABEL
1
1001
152539-0
Боковая ручка 36
1
1002
782407-9
Ключ зажимной гайки MA415
1


Войти Регистрация
Корзина0 позиций на сумму 0 руб.