Новосибирск +7(383) 201-32-02, 201-30-33 Заказать звонок
Адрес: ул.Лермонтова, 47
Время работы: ПН-ПТ 9-18, СБ, ВС - выходной
Войти Регистрация
Корзина0 позиций
на сумму 0 руб.

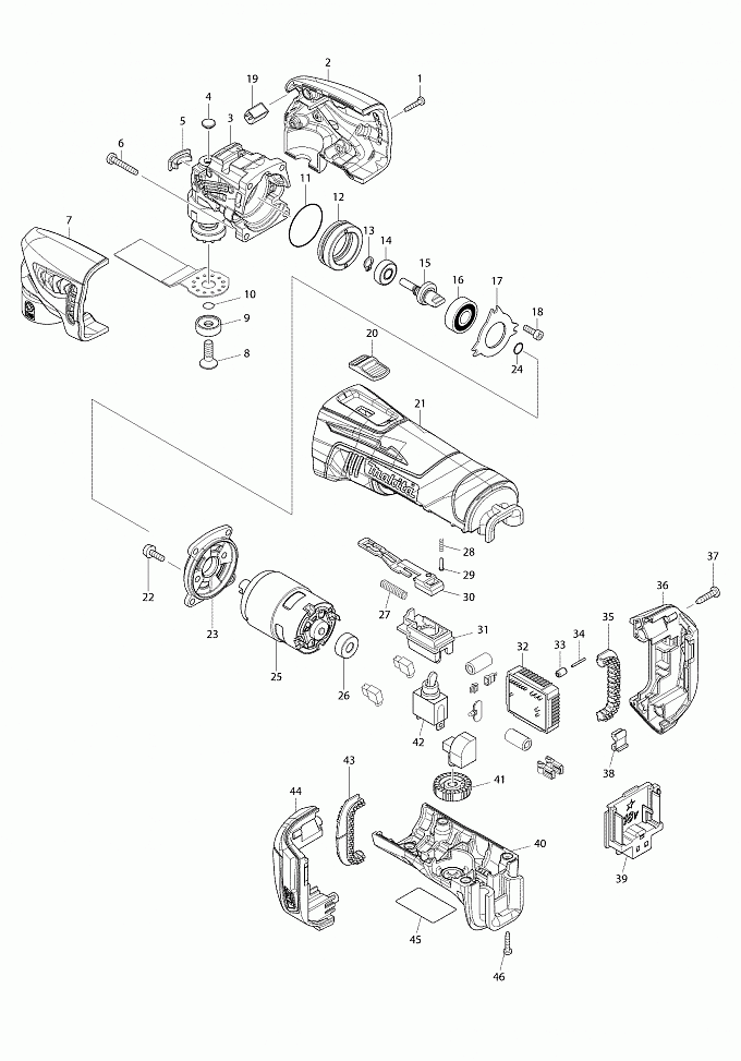
BTM50

Артикул
Наименование
Кол.
1
266429-2
Самонарезающий винт 3X16
4
2
187346-2
Кожух корпуса редуктора
1
3
142400-9
CRANK HOUSING COMPLETE(new)
1
3
142076-2
Корпус кривошипа BTM50(верс2)
1
3
141581-6
Корпус кривошипа(верс1)
1
4
424511-5
Колпачок корпуса кривошипа
1
5
424510-7
Колпачок корпуса кривошипа
1
6
266374-1
Самонарезающийся винт 4*25
4
7
187346-2
Кожух корпуса редуктора
1
8
266783-4
Винт с внутр.шестигран. M6X20
1
9
224455-7
Наружный фланец 22
1
10
213021-5
О-кольцо 5 резиновое LS1013/
1
11
213479-8
О-кольцо 33 резиновое
1
12
326187-3
Корпус подшипника
1
13
961003-8
Стопорное кольцо S-7 к HR2450/
1
14
211392-4
Подшипник 706
1
15
326186-5
Кривошип
1
16
210059-1
Подшипник 10/26
1
17
285856-4
Фиксатор подшипника
1
18
922117-8
Болт с внутр.шестигран. М4Х12
3
19
620146-2
Светодиод для BTM40
1
20
453761-5
Кнопка выключателя для BTM40
1
21
453755-0
Корпус двигателя
1
22
911516-9
Винт M4x12 для BJR141
2
23
453762-3
Крышка корпуса BTM40
1
24
213030-4
О-кольцо 8 резиновое RP0910/
1
25
629956-4
Двигатель
1
26
424520-4
Крышка маслянного канала
1
27
234263-8
Компрессионная пружина 5
1
28
233002-3
Компрессионная пружина 3
1
29
255058-6
Заклёпка 2 9227CB
1
30
453757-6
Рычаг выключателя для BTM50
1
31
453760-7
Выключатель
1
32
632A01-2
Блок управления
1
33
263036-2
Резиновая шпилька 5
1
34
268184-2
Резиновая шпилька1.5 к BTW250/
1
35
424473-7
Брекерная резина для BTM40
1
36
187610-1
Аккумулятор(new)
1
36
187524-4
BATTERY HOUSING SET(верс2)
1
36
187448-4
Аккумулятор(верс1)
1
37
266326-2
Самонарезающий винт 4х18(new)
2
38
424476-1
CUSHION(new)
1
38
424026-2
Опора для BHP442/BTW250/BTW251(верс1)
1
39
643852-2
Глухой полюсный наконечник(new)
1
39
643859-8
Предохранитель(верс1)
1
40
453756-8
Крышка рукоятки BTM40
1
41
271617-8
Регулировочное колесо 28
1
42
651423-1
Выключатель к 3706/3707/3708/
1
43
424473-7
Брекерная резина для BTM40
1
44
187610-1
Аккумулятор(new)
1
44
187524-4
BATTERY HOUSING SET(верс2)
1
44
187448-4
Аккумулятор(верс1)
1
45
897390-8
BTM50 NAME PLATE
1
46
266429-2
Самонарезающий винт 3X16
4
1001
783233-9
Шестигранный ключ 5
1
1002
***DC18RC
DC18RA FAST CHARGER(верс1)
1
1003
196015-4
BATTERY BL1830 SET(верс6)
2
1003
194204-5
Аккумулятор(верс1)
2
1004
450128-8
Крышка аккумулятора для BTM40
1
1005
141562-0
Пластиковый чемодан для BTM40
1
1006
800C01-4
BTM50RFEX3 PLASTIC CASE LABEL
2
1006
800B98-7
BTM50RFE PLASTIC CASE LABEL
2
1006
800B99-5
BTM50RFEX1 PLASTIC CASE LABEL
2
1006
800C00-6
BTM50RFE PLASTIC CASE LABEL
2
1007
195965-0
DUST ATTACHMENT SET
1
1008
196056-0
TOOL SET L
1
1009
196271-6
Адаптер BTM50
1
1010
B-21325
Пильн диск 85мм бимет.круг
1
1011
B-21331
Пильн диск 85мм бимет.(верс1)
1
1011
B-21353
Пильн полотно 28х50мм бимет.
1
1012
B-21353
Пильн полотно 28х50мм бимет.
1
1012
B-21537
Шлиф. опорная пластина(верс1)
1
1013
B-21369
Пильн полотно 32х40мм бимет.(верс1)
1
1013
821538-0
Ящик для инструментов(верс1)
1
1014
B-21381
Пильн полотно 32х40мм бимет.(верс1)
1
1015
B-21434
Пильн полотно 10х20мм бимет.(верс1)
1
1015
B-21428
PLUNGE CUT SAW BLADE 20 TMA016(верс1)
1
1016
B-21456
Шабер гибкий(верс1)
1
1016
B-21434
Пильн полотно 10х20мм бимет.(верс1)
1
1017
B-21456
Шабер гибкий(верс1)
1
1017
B-21624
ABRASIVEPAPER DELTA RED 60(верс1)
1
1018
B-21490
HM SEG SAW BLADE 85 TMA023
1
1018
B-22947
ABRASIVEPAPER DELTA RED 100
1
1019
B-21509
HM SEG SAW BLADE 65 TMA024
1
1019
B-22953
ABRASIVEPAPER DELTA RED 150
1
1020
B-21537
Шлиф. опорная пластина(верс1)
1
1020
B-21624
ABRASIVEPAPER DELTA RED 60(верс1)
1
1021
821538-0
Ящик для инструментов(верс1)
1
1021
B-22947
ABRASIVEPAPER DELTA RED 100
1
1022
B-22953
ABRASIVEPAPER DELTA RED 150
1
1023
B-21537
Шлиф. опорная пластина(верс1)
1
1024
821538-0
Ящик для инструментов(верс1)
1


Войти Регистрация
Корзина0 позиций на сумму 0 руб.