Новосибирск +7(383) 201-32-02, 201-30-33 Заказать звонок
Адрес: ул.Лермонтова, 47
Время работы: ПН-ПТ 9-18, СБ, ВС - выходной
Войти Регистрация
Корзина0 позиций
на сумму 0 руб.

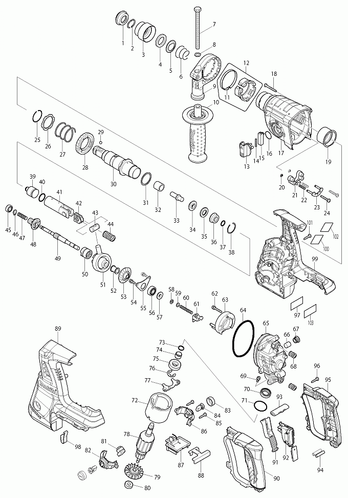
BHR262

Артикул
Наименование
Кол.
1
286263-4
Резиновый наконечник 35
1
2
233940-9
Кольцевая пружина 19 HR2450/
1
3
417629-9
Кожух муфты для HR2450/HR2455/
1
4
257241-1
Kольцо 21 HR2450/2440/2020
1
5
345187-4
Направляющая шайба для HR2020/
1
6
233916-6
Конич. компресс. пружина 21-29
1
7
921923-8
Болт с шестигранной гол.M8x120(new)
1
8
345280-4
Шестигранная шайба для HR2450/
1
9
417630-4
Основание бок. ручки к HR2450/
1
10
158057-6
Ручка 36
1
13
450980-4
Рычаг переключения
1
14
233279-0
Компрессионная пружина 4
1
15
453706-3
Кнопка стопора
1
16
213278-8
О-кольцо 17 резин. для HR2450
1
17
158945-7
Корпус редуктора
1
18
266351-3
Самонарезающий винт 4x35
4
19
153290-5
Игольчатый подшипник HR2450/
1
20
961017-7
Стопорное кольцо E-3 к HR2450/
2
21
417796-0
Направляющая втулка к HR2450/
1
22
233344-5
Компрессионная пружина 4
2
23
163430-7
Стопорная пластина для HR2450
1
24
266374-1
Самонарезающийся винт 4*25
2
25
233929-7
Кольцевая пружина BHR240/
1
26
267460-1
Шайба 31 для BHR240/HR2470/(new)
1
27
233401-9
Компрессионная пружина 32
1
28
227109-5
Прямозубая шестерня 51
1
29
216022-2
Стальной шарик 7.0
1
30
158574-6
Ствол в сборе направляющий
1
31
267229-3
Плоская шайба 28 для HR2450/
1
32
331769-8
Втулка 9 металл для HR2470/
1
33
324669-9
Боек для HR2460/HR2470/HR2810/
1
34
324402-9
Кольцо 10 для BHR240/HR2230/
1
35
421955-0
Опора к HR2470/BHR240/HR2230/
1
36
324216-6
Металл. О-кольцо для HR2470FT/
1
37
213073-6
О-кольцо 9 резиновое HR2450/
1
38
233917-4
Кольцевая пружина 28 BHR240/
1
39
324214-0
Ударник для HR2440/HR2450/
1
40
213227-5
О-кольцо 16 резин. для HR2450/
1
41
318132-2
Цилиндр поршня для HR2470/
1
42
346036-8
Направляющая пластина
1
43
324215-8
Шарнир поршня к HR2440/HR2450/
1
44
234098-7
Компрессионная пружина 10
1
45
211012-0
Подшипник 606ZZ
1
46
961003-8
Стопорное кольцо S-7 к HR2450/
1
47
233343-7
Компрессионная пружина 7
1
48
227179-4
Прямозубая шестерня 10
1
49
325976-3
Вал для модели(new)
1
50
331992-5
Муфта сцепления(new)
1
51
219014-0
Подшипник качения 10
1
52
325640-6
Bтулка 9
1
53
227549-7
Коническая пара
1
54
266273-7
Болт с внутр.шестигран. M4X12(new)
2
55
346038-4
Фиксатор подшипника
1
56
211032-4
Подшипник 608ZZ
1
57
324212-4
Кольцо 8 для HR2450/HR2455/
1
58
961011-9
Стопорное кольцо E-4 к HR2450/
1
59
941102-2
Плоская шайба 5 HM1100/HR2450/
1
60
233342-9
Компрессионная пружина 6
1
61
345220-2
Пластина переключ. для HR2450/
1
62
922148-7
Болт с внутр.шестигран. М4Х25(new)
2
63
158944-9
Опора ползуна
1
64
213728-3
О-кольцо 68
1
65
318392-6
Внутренний корпус
1
66
443143-9
Топливный фильтр
1
67
424185-2
Крышка маслянного канала
1
68
234097-9
Компрессионная пружина 10
2
69
266273-7
Болт с внутр.шестигран. M4X12(new)
2
70
213231-4
Сальник 15 для HR4500C/HM0860C
1
71
213437-4
О-кольцо 28
1
72
632828-4
Обойма с магнитами
1
73
961082-6
Стопорное кольцо WR12
1
74
331596-3
Втулка 12 для HR4500C/HM0860C/
1
75
211131-2
Подшипник 12/28
1
76
961016-9
Стопорное кольцо E-10 к 9035/
1
77
346037-6
Фиксатор подшипника
1
78
519235-7
Ротор в сборе
1
79
240037-7
Крыльчатка 44 для BHR200S
1
80
210022-4
Подшипник 626DDW
1
81
631850-8
Светодиодная лампа
1
82
638945-8
Щеткодержатель для BHR262(new)
1
83
643829-7
Колпачок щеткодержателя
2
84
194928-3
Угольные щетки СВ-442
1
85
266326-2
Самонарезающий винт 4х18(new)
2
86
638945-8
Щеткодержатель для BHR262(new)
1
87
638978-3
Клемма для BHR262
1
88
346039-2
Основание
1
89
187231-9
Корпус(new)
1
90
188639-0
Рукоятка в сборе
1
91
450981-2
Рычаг выключателя
1
92
650619-1
Выключатель C3HZ-2A-PBLM
1
93
450979-9
Рычаг переключения
1
94
256261-2
Шпилька 6
2
95
188639-0
Рукоятка в сборе
1
96
266326-2
Самонарезающий винт 4х18(new)
4
97
897473-4
BHR262 SERIAL NO. LABEL
1
98
344903-1
Демфирная пластина
1
99
187231-9
Корпус(new)
1
100
897459-8
BHR262 NAME PLATE
1
101
266326-2
Самонарезающий винт 4х18(new)
9
102
893038-0
CLEAR LABEL(new)
1
103
893072-0
CLEAR LABEL
1
1001
194683-7
Смазка(new)
1
1002
324219-0
Ограничитель уровня глубины
1
1003
443122-7
Ткань для HR4001C/HR4011C/
1
1004
194873-2
Li-ion аккумулятор.36В. 2.6 Ам(верс1)
2
1005
451153-2
BATTERY COVER
1
1006
***DC36RA
DC36RA FAST CHARGER
1
1007
141407-2
Пластиковый чемодан для BHR262
1
1008
800D67-0
BHR262RDE PLASTIC CASE LABEL
2


Войти Регистрация
Корзина0 позиций на сумму 0 руб.