Новосибирск +7(383) 201-32-02, 201-30-33 Заказать звонок
Адрес: ул.Лермонтова, 47
Время работы: ПН-ПТ 9-18, СБ, ВС - выходной
Войти Регистрация
Корзина0 позиций
на сумму 0 руб.

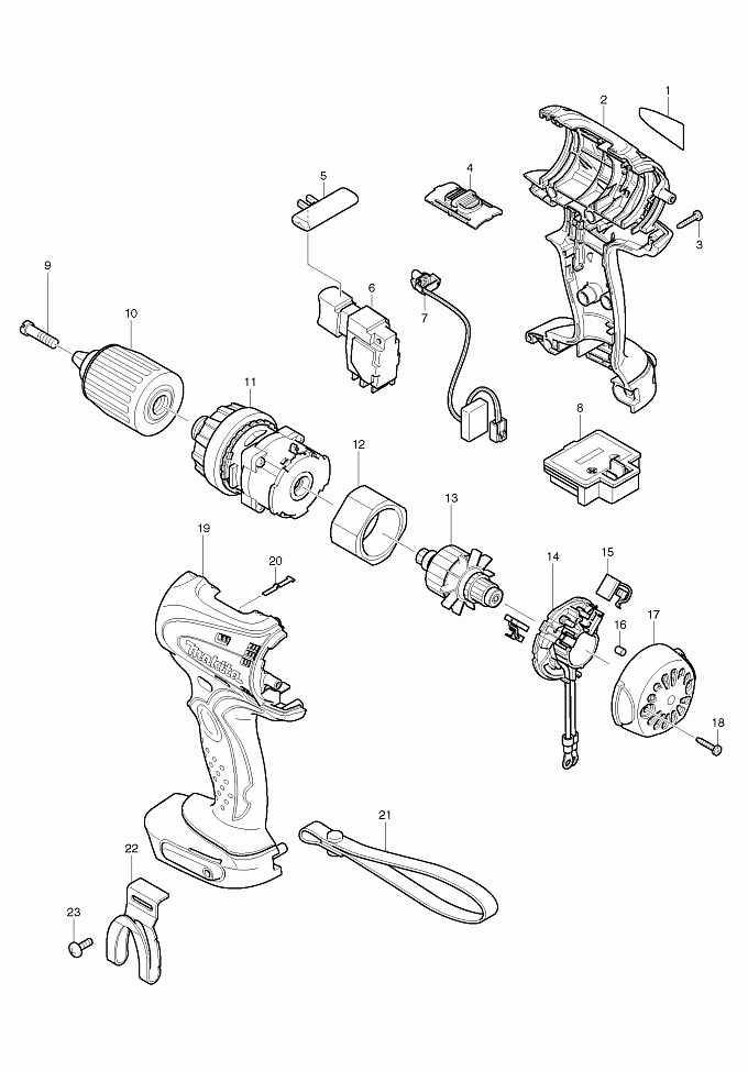
BDF440

Артикул
Наименование
Кол.
1
861664-3
BDF440 NAME PLATE
1
2
188266-3
Корпус BHP440(new)
1
2
188000-1
Корпус BHP440/(верс1)
1
3
266130-9
Самонарез.винт зажимной PT3X16
9
4
125310-5
Рычаг переключения скоростей(new)
1
5
419041-9
Рычаг переключения для BTD140/
1
6
650569-0
Выключатель к BHP450/BHP440/
1
7
631631-0
Электрическая плата BTS130/
1
8
643811-6
Предохранитель(верс1)
1
9
251464-3
Винт с плоской головкой M6X22
1
10
763175-3
Быстрозаж. патрон13мм 1/2(new)
1
11
125182-8
Редуктор в сборе BDF440/
1
12
638423-8
Обойма с магнитами для BHP450/
1
13
619161-1
Pотор для модели BHP440/BDF440
1
14
638857-5
Щеткодержатель BDF440(new)
1
14
638424-6
Щеткодержатель к BTP130/BDF440(верс1)
1
15
194427-5
Угольные щетки СВ-440(new)
1
15
194427-5
Угольные щетки СВ-440(new)
1
15
194159-4
Угольные щетки BHP452(верс1)
1
16
263032-0
Резиновая шпилька 4 BTS130/
2
17
418981-8
Задняя крышка корпуса BTS130/
1
18
266130-9
Самонарез.винт зажимной PT3X16
2
19
188266-3
Корпус BHP440(new)
1
19
188000-1
Корпус BHP440/(верс1)
1
20
232182-2
Плоская пружина
1
22
346317-0
Держатель ножа(new)
1
22
324705-1
Съемное поясное крепление(верс2)
1
22
324553-8
Крючок к BDF440/BHP440/BTD140/(верс1)
1
23
251314-2
Винт (+) M4X12
1
1001
***DC18SC
DC18SC CHARGER(new)
1
1001
***DC18RC
DC18RA FAST CHARGER(верс1)
1
1001
***DC14SC
DC18SC CHARGER(верс1)
1
1001
***DC18RA
DC18RA FAST CHARGER(верс1)
1
1002
194065-3
Аккумулятор(верс1)
2
1003
784203-1
Насадка Phillips 65 мм. № 2(верс1)
1
1004
141205-4
Пласт кейс для Li-ion(new)
1
1004
158210-4
Пластиковый чемодан BTD140(верс3)
1
1004
824753-5
Пласт кейс для Li-ion(верс1)
1
1005
803594-2
BDF440SFE PLASTIC CASE LABEL
1
1005
804808-2
BDF440SFE PLASTIC CASE LABEL
1
1006
803840-3
BDF440SFE MODEL NO. LABEL
1
1006
804809-0
BDF440SFE MODEL NO. LABEL
1
1007
450128-8
Крышка аккумулятора для BTM40
1


Войти Регистрация
Корзина0 позиций на сумму 0 руб.