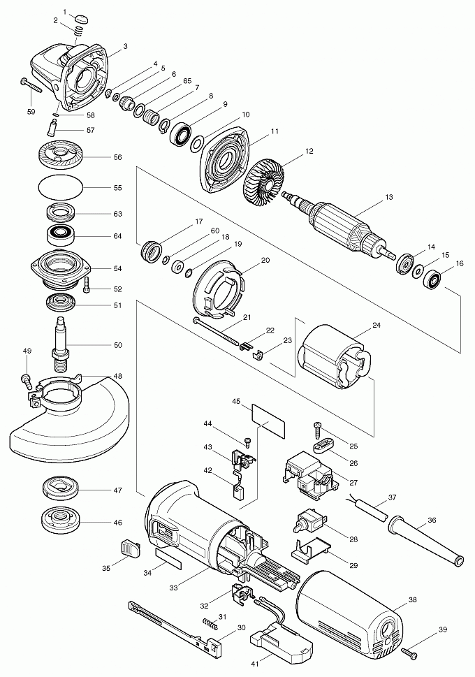
Кнопка стопора для 9565/9565C/(new)
Корпус редуктора 9565/9562/(new)
Стопорное кольцо S-6 к 4329/
Плоская шайба 6 к 9565/9910/
Коническая спирал. шестерня 9
Стопорная пружина 12 для 9562/
Стопорное кольцо S-12 9555NB/
Плоская шайба 12 9565/BO6040/
Крышка корпуса редуктора 9565/
Крыльчатка 57 для 9565/9566
Pотор в сборе к 9566C/9566CV/
Изоляционная шайба для 9565/
Пыльник резиновый 22 для 9565/
Магнитная втулка для GD0800C/(верс1)
Стопорная шайба 6 4340/9566C/
Защита статора для 9562/9565/
Держатель для 9562/9564/9565/
Изоляционная втулка для 9565/
Cтатор к 9565CV/9566CV/9565C/
Держатель кабеля к 3709/MT360/(new)
Прижимная пластина к HR2450/
Держатель выключателя к 9562/
Выключатель ST115A-40 к 9565/(верс1)
Крышка корпуса для 9565/9562/
Рычаг выключателя к 9564/9565/
Щеткодержатель для 9565/9564/
Корпус мотора для 9564/9565/(new)
Кнопка выключателя для 9565/(new)
Усилитель кабеля 8 для 9558NB/
Кабель резиновый 1.0-2-2.5
Задняя крышка корпуса к 9565/
Контроллер для 9566C/SG1250
Угольные щетки CB-318 автооткл(new)
Щеткодержатель для 9565/9564/
Самонарезающий винт PT3X10
Гайка прижимная 14-45(new)
Внутренний фланец 42(верс1)
TOOLLESS WHEELCOVER 150AK ASSY(new)
TOOLLESS WHEELCOVER 150K ASSY(верс2)
Шпиндель для 9562/9564/9565/(new)
Пыльник к 9541/9542/9562/9564/
Болт с внутр.шестигран. M4X16(new)
Корпус подшипника к 9564/9565/(верс2)
Коническая спирал. шестерня 35
Шпилька для 9565/9562/9564
О-кольцо 6 резиновое 9565/
Волновая шайба 6 для BO6040/
Фиксатор подшипника для 9565/
Боковая ручка 36 для MT953(new)
Ключ зажимной гайки 35 9558NB/