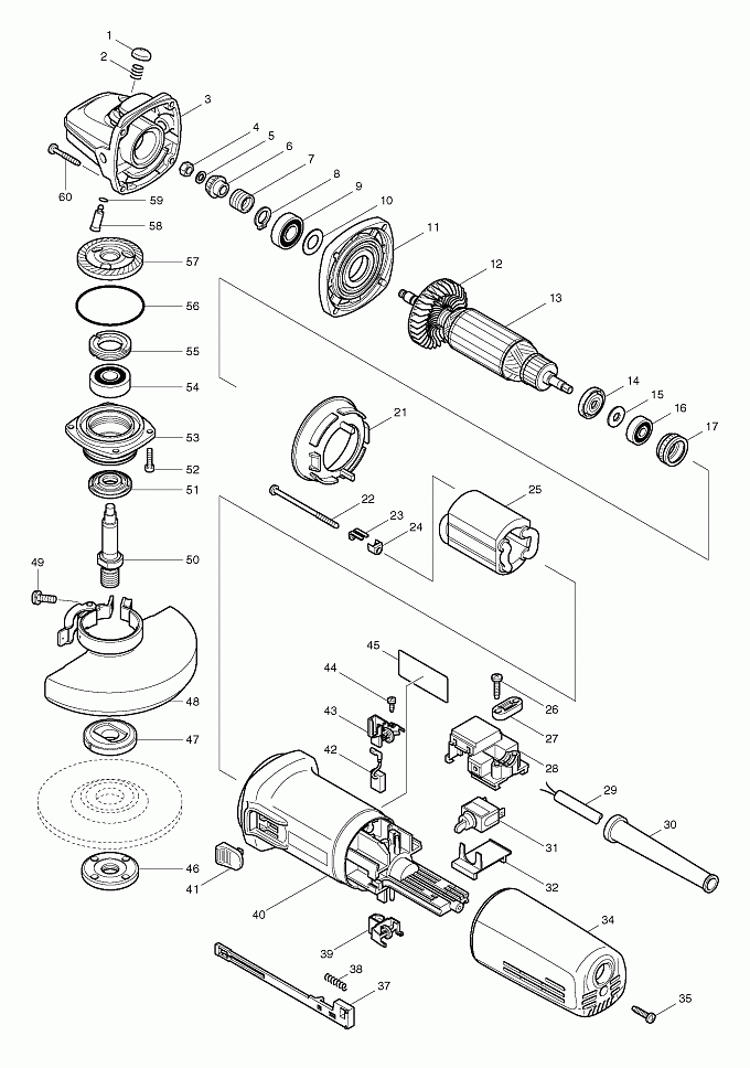
Кнопка стопора для 9565/9565C/(new)
Корпус редуктора 9565/9562/(new)
Шестигранная гайка M6 к 9565/
Плоская шайба 6 к 9565/9910/
Коническая спирал. шестерня 11
Стопорная пружина 12 для 9562/
Стопорное кольцо S-12 9555NB/
Плоская шайба 12 9565/BO6040/
Крышка корпуса редуктора 9565/
Pотор в сб. к 9565/9564/9565H/
Изоляционная шайба для 9565/
Пыльник резиновый 22 для 9565/
Защита статора для 9562/9565/
Держатель для 9562/9564/9565/
Изоляционная втулка для 9565/
Статор 240В для 9564H/9565H/(new)
Держатель кабеля к 3709/MT360/(new)
Прижимная пластина к HR2450/
Держатель выключателя к 9562/
Кабель резиновый 1.0-2-2.5
Усилитель кабеля 8 для 9558NB/
Выключатель ST115A-40 к 9565/(верс1)
Крышка корпуса для 9565/9562/
Задняя крышка корпуса к 9565/
Рычаг выключателя к 9564/9565/
Щеткодержатель для 9565/9564/
Корпус мотора для 9564/9565/(new)
Кнопка выключателя для 9565/(new)
Щеткодержатель для 9565/9564/
Самонарезающий винт PT3X10
Гайка прижимная 14-45(new)
Внутренний фланец 42(верс1)
WHEEL COVER 125AK ASSEMBLY(new)
TOOLLESS WHEELCOVER 125AK ASSY(new)
Кожух диска 9562/9565(new)
Шпиндель для 9562/9564/9565/(new)
Пыльник к 9541/9542/9562/9564/
Болт с внутр.шестигран. M4X16(new)
Корпус подшипника к 9564/9565/(верс2)
Фиксатор подшипника для 9565/
Коническая спирал. шестерня 38(new)
Шпилька для 9565/9562/9564
О-кольцо 6 резиновое 9565/
Крыльчатка 57 для 9565/9566
Боковая ручка 36 для MT953(new)
Ключ зажимной гайки 35 9558NB/
Ключ зажимной гайки MA415
Диск шлиф./металл 125х6х22.23(new)