Новосибирск +7(383) 201-32-02, 201-30-33 Заказать звонок
Адрес: ул.Лермонтова, 47
Время работы: ПН-ПТ 9-18, СБ, ВС - выходной
Войти Регистрация
Корзина0 позиций
на сумму 0 руб.

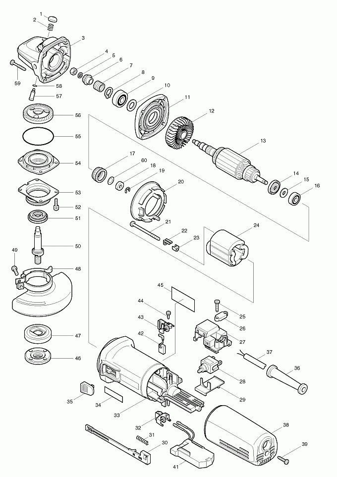
9562C

Артикул
Наименование
Кол.
1
418067-8
Кнопка стопора для 9565/9565C/(new)
1
1
417236-8
Кнопка стопорного штифта
1
2
233072-2
Компрессионная пружина 8
1
3
153488-4
Корпус редуктора 9565/9562/(new)
1
3
153718-3
Корпус редуктора в сб. 9562CV/(верс3)
1
4
931303-0
Шестигранная гайка M6 к 9565/
1
5
253077-6
Плоская шайба 6 к 9565/9910/
1
6
226794-1
Коническая спирал. шестерня 11
1
7
233901-9
Стопорная пружина 12 для 9562/
1
8
961052-5
Стопорное кольцо S-12 9555NB/
1
9
211142-7
Подшипник 6001LLB
1
10
253084-9
Плоская шайба 12 9565/BO6040/
1
11
317359-1
Крышка корпуса редуктора 9565/
1
12
240033-5
Крыльчатка 57 для 9565/9566
1
13
515243-6
Pотор в сборе к 9562C/9562CV/
1
14
681656-4
Изоляционная шайба для 9565/
1
15
253823-7
Плоская шайба 7
1
16
210027-4
Подшипник 7/22
1
17
421738-8
Пыльник резиновый 22 для 9565/
1
18
688117-5
Магнитная втулка для GD0800C/(верс1)
1
19
259039-2
Стопорная шайба 6 4340/9566C/
1
20
413076-2
Защита статора для 9562/9565/
1
21
266259-1
Самонарезающий винт 4X60
2
22
344871-8
Держатель для 9562/9564/9565/
2
23
417237-6
Изоляционная втулка для 9565/
2
24
626568-4
Статор к 9562CH/9562CVH/9562C/(new)
1
24
626513-9
Cтатор для 9562CV/9562C(верс1)
1
25
265995-6
Самонарезающий винт 4X18
2
26
687052-4
Прижимная пластина к HR2450/
1
26
687063-9
Зажим кабеля желтый (ME25)
1
27
632945-0
Держатель выключателя к 9562/
1
28
651418-4
Выключатель ST115A-40 к 9565/(верс1)
1
29
687113-0
Крышка корпуса для 9565/9562/
1
30
417187-5
Рычаг выключателя для GD0800C/
1
31
233071-4
Компрессионная пружина 4
1
32
643760-7
Щеткодержатель для 9565/9564/
1
33
417812-8
Корпус мотора к GD0800C/9562/(new)
1
33
183406-8
Корпус двигателя BO6040/9562/(верс2)
1
34
819720-3
Этикетка с эмблемой 36X11 мм.
1
35
417813-6
Кнопка выключателя для 9565/(new)
1
36
682559-5
Усилитель кабеля 8 для 9558NB/
1
37
665394-6
Кабель резиновый 1.0-2-2.5
1
37
666066-6
Кабель пластиковый 1.00-2-2.5
1
38
417183-3
Задняя крышка корпуса к 9565/
1
39
265995-6
Самонарезающий винт 4X18
1
41
631386-7
Контроллер для 9562C/9562CH
1
42
191978-9
Угольные щетки CB-318 автооткл(new)
1
43
643760-7
Щеткодержатель для 9565/9564/
1
44
266256-7
Самонарезающий винт PT3X10
4
45
852365-4
NAME PLATE 9562C
1
46
224554-5
Гайка прижимная 14-45(new)
1
47
224415-9
Внутренний фланец(new)
1
47
224298-7
Внутренний фланец 42(верс1)
1
48
135108-2
Кожух диска 9562/9565(new)
1
48
163415-3
Кожух диска 9562/9565(верс2)
1
49
251391-4
Винт M5X16
1
50
324035-0
Шпиндель для 9562/9564/9565/(new)
1
51
415300-9
Пыльник к 9541/9542/9562/9564/
1
52
265490-6
Болт с внутр.шестигран. M4X16(new)
4
54
318302-3
Корпус подшипника(new)
1
54
317570-5
Корпус подшипника к 9564/9565/(верс2)
1
55
213673-2
О-кольцо 52 резиновое
1
56
226795-9
Коническая спирал. шестерня 38(верс1)
1
57
256459-1
Шпилька для 9565/9562/9564
1
58
213048-5
О-кольцо 6 резиновое 9565/
1
59
266257-5
Самонарезающий винт 4X28
4
60
267756-0
Волновая шайба 6 для BO6040/
1
63
285841-7
Фиксатор подшипника для 9565/
1
64
211129-9
Подшипник 12/32
1
1001
152490-4
Боковая ручка 36
1
1002
D-18465
Диск шлиф./металл 125х6х22.23(new)
1
1003
782407-9
Ключ зажимной гайки MA415
1


Войти Регистрация
Корзина0 позиций на сумму 0 руб.