Новосибирск +7(383) 201-32-02, 201-30-33 Заказать звонок
Адрес: ул.Лермонтова, 47
Время работы: ПН-ПТ 9-18, СБ, ВС - выходной
Войти Регистрация
Корзина0 позиций
на сумму 0 руб.

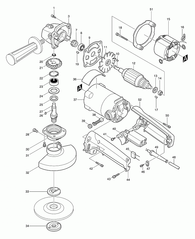
9005B

Артикул
Наименование
Кол.
1
911241-2
Винт M5X25 к DA6301/2708/9401/
4
3
159710-7
Корпус редуктора в сб. PC1100/(new)
1
3
156735-2
Корпус редуктора в сб. PC1100(верс1)
1
7
187603-8
Коническая пара PC1100/9005В(new)
1
7
181737-9
Коническая пара PC1100/9005В(верс1)
1
8
211088-7
Подшипник 6000DDW/
1
8
211061-7
Подшипник 10/26
1
9
341681-4
Пластина
1
10
254002-0
Сегментная шпонка 3
1
11
241517-6
Крыльчатка 70 для GA5000/9005B
1
12
516093-2
Pотор в сборе для PC1100/9005B
1
13
681613-2
Изоляционная шайба для 1125/
1
14
210005-4
Подшипник 608DDW
1
14
211033-2
Подшипник 608LB
1
15
522673-4
Cтатор в сборе 220В для 9005B
1
16
687010-0
Ремешок для 4110C/9077/9402/
1
17
263014-2
Резиновая шпилька 4
1
18
911290-9
Винт M5X65 для 1002BA/2400B/
2
19
263002-9
Резиновая шпилька 4
1
20
961052-5
Стопорное кольцо S-12 9555NB/
1
21
187603-8
Коническая пара PC1100/9005В(new)
1
21
181737-9
Коническая пара PC1100/9005В(верс1)
1
22
962151-6
Стопорное кольцо R-32 9555NB/
1
23
211129-9
Подшипник 12/32
1
23
211106-1
Подшипник 6201LLB
1
24
267126-3
Плоская шайба 22 для HK1820
1
24
253824-5
Плоская шайба 21(верс1)
1
25
443051-4
Фетровое кольцо 20
1
26
254002-0
Сегментная шпонка 3
1
27
321341-4
Шпиндель к 9005B/GA5000
1
28
251259-4
Винт (+) M5X16
1
30
315282-4
Корпус подшипника для 9005B
1
31
266148-0
Болт M4X14 с внутр.шестигран.(new)
4
31
266034-5
Самонарезающий винт CT4X16
4
31
911121-2
Винт M4X14 для 9522NB/1100/
4
32
134440-1
Кожух диска 125 в сборе
1
33
224415-9
Внутренний фланец(new)
1
33
224298-7
Внутренний фланец 42(верс1)
1
34
224554-5
Гайка прижимная 14-45(new)
1
34
224543-0
Гайка прижимная 14-45(верс1)
1
36
850R04-8
9005B NAME PLATE(new)
1
36
854116-1
NAME PLATE 9005B(верс1)
1
37
156734-4
Корпус двигателя JN3200/9005B/
1
38
181030-1
Угольные щетки CB-100
1
39
643600-9
Колпачок щеткодержателя 6-10
2
40
651128-3
Выключатель C3D-15AS к 9005B/
1
41
911113-1
Винт M4X10 для LS1013/1911B/
2
42
911248-8
Винт M5X28 к KP312S/2106/5016/
2
43
911143-2
Винт M4X22 к 6317D/6312BR/
3
44
182853-0
Рукоятка в сборе к 9005В(new)
1
44
182853-0
Рукоятка в сборе к 9005В(new)
1
44
182418-8
Рукоятка в сборе к 9005B(верс1)
1
45
645200-1
Фильтр помех для 5012B/HR2400/
1
46
265995-6
Самонарезающий винт 4X18
2
46
265941-9
Самонарезающий винт 4X18(верс1)
2
47
687052-4
Прижимная пластина к HR2450/
1
47
687063-9
Зажим кабеля желтый (ME25)
1
48
665865-3
Кабель резиновый 1.0-2-2.5
1
49
682540-6
Усилитель кабеля 9.3-90 2030/
1
50
911248-8
Винт M5X28 к KP312S/2106/5016/
2
51
411876-4
Защита статора к JN3200/9005B/
1
52
182853-0
Рукоятка в сборе к 9005В(new)
1
52
182853-0
Рукоятка в сборе к 9005В(new)
1
52
182418-8
Рукоятка в сборе к 9005B(верс1)
1
2
341680-6
Опора корпуса редуктора
1
400
152492-0
Боковая ручка 36
1
401
794046-3
DEPRESSED CENTER WHEEL 125-24
1
402
782407-9
Ключ зажимной гайки MA415
1
903
687051-6
Держатель кабеля для 6905H/
1
904
819001-5
Этикетка с эмблемой Макита
1


Войти Регистрация
Корзина0 позиций на сумму 0 руб.