Новосибирск +7(383) 201-32-02, 201-30-33
Адрес: ул.Лермонтова, 47
Время работы: ПН-ПТ 9-18, СБ, ВС - выходной
Войти Регистрация
Корзина0 позиций
на сумму 0 руб.

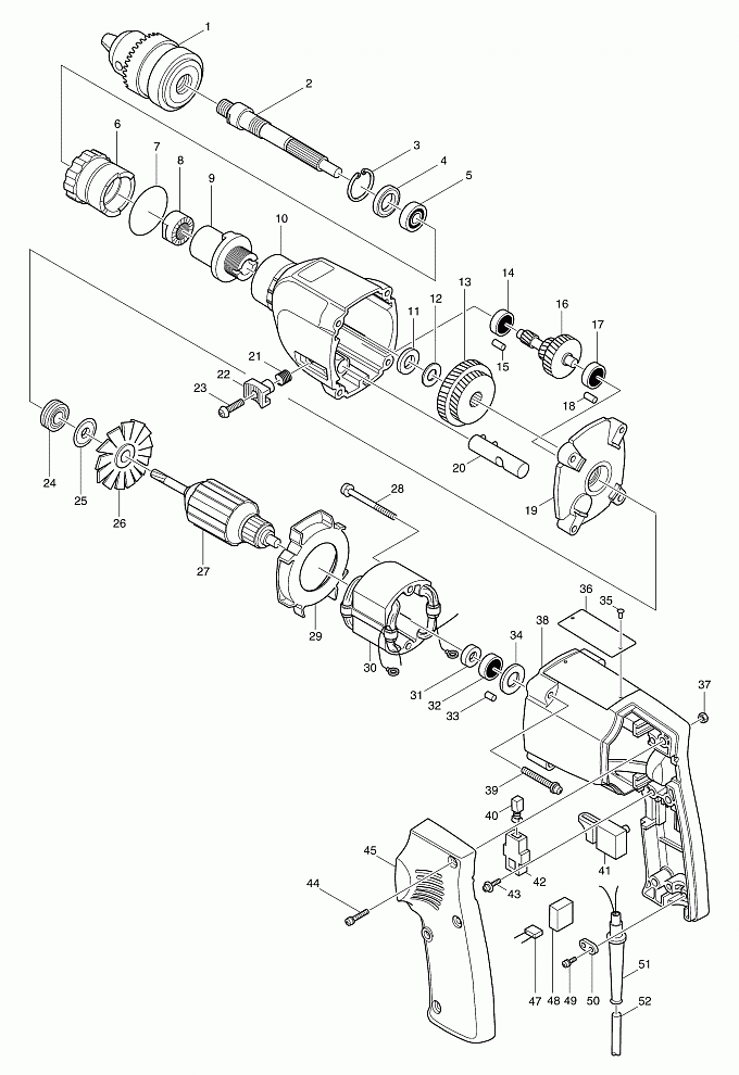
8419B2

Артикул
Наименование
Кол.
1
192877-8
Патрон ключевой 13 мм 1/2
1
2
325551-5
Шпиндель к 8419B2
1
3
962151-6
Стопорное кольцо R-32 9555NB/
1
4
213301-9
Пыльник 20
1
5
211201-7
Подшипник 6002LLB
1
6
323679-3
Кольцо переключения HP2010N/
1
7
213458-6
О-кольцо 34 резиновое
1
8
223029-1
Наковальня
1
9
223030-6
Наковальня
1
10
159690-7
Корпус редуктора для 8419B2(new)
1
10
156440-1
Корпус редуктора(верс1)
1
11
253798-0
Плоская шайба 13
1
12
961016-9
Стопорное кольцо E-10 к 9035/
1
13
226038-9
Шестерни в сборе 39-49
1
14
210025-8
Подшипник 627LLB
1
14
211026-9
Подшипник 627LLB(верс1)
1
15
263002-9
Резиновая шпилька 4
1
16
226039-7
Шестерни в сборе 9-19-41
1
17
210025-8
Подшипник 627LLB
1
17
211026-9
Подшипник 627LLB(верс1)
1
18
263002-9
Резиновая шпилька 4
1
19
156441-9
Крышка корпуса редуктора
1
20
152135-4
деталь
1
21
231249-3
Компрессионная пружина 5
1
22
411475-2
Рычаг переключения HP2010N/
1
23
265029-5
Винт (+) М4(new)
1
23
251429-5
Винт (+) М4(верс1)
1
24
211043-9
Подшипник 807LLB
1
25
213002-9
Пыльник 8
1
26
241325-5
Крыльчатка 58 для M801
1
27
515098-9
Pотор в сборе 220В для 8419B2
1
28
911185-6
Винт M4x55 к 6802BV/HP2010N/
2
29
411456-6
Защита статора на 8419B2
1
30
528160-1
Cтатор в сбоpe 220V(new)
1
30
528161-9
FIELD ASSY 220V(верс1)
1
31
681614-0
Изоляционная шайба к HP1300S/
1
32
211028-5
Подшипник 627LB
1
33
263013-4
Резиновая шпилька 4
1
34
253192-6
Плоская шайба 14 3608B/HR2400/
1
35
953106-2
Заклёпка 0-5 для 4110C/1901/
2
36
815090-8
NAME PLATE 8419B-2
1
37
931102-0
Шестигранная гайка M4 к ML122/
3
38
156953-2
Корпус двигателя для 8419B2
1
39
911268-2
Винт M5X45 к KP312S/4302C/
4
40
181026-2
Угольные щетки СВ-55
1
41
651225-5
Выключатель SGEL215C для 2106/(new)
1
41
651235-2
Выключатель C2M-A1T к JN3200/(верс1)
1
42
643551-6
Щеткодержатель 5-8
2
43
911124-6
Винт M4X14 6402/HR2000/UM140D/
2
44
911153-9
Винт M4x28 к KP312S/1100/1125/
3
45
411455-8
Крышка рукоятки
1
47
645253-0
Фильтр помех для 9542/HR2450/
1
48
685700-9
Губчатая прокладка к 4105KB/
1
49
911133-5
Винт M4X18 к 1911B
2
50
687031-2
Держатель кабеля для HR5000K/
1
51
682516-3
Усилитель кабеля 9.3-85
1
52
665865-3
Кабель резиновый 1.0-2-2.5
1
400
273627-1
Боковая ручка
1
401
321059-7
Ограничитель уровня глубины
1
402
924226-9
Болт-барашек M5X20
1
406
763432-9
Ключ к патрону S13 к DA6300/
1
407
410102-8
Патрон
1
411
252635-5
Гайка M8
1
412
941202-8
Плоская шайба 8 к 2106/DA6301/
1
413
921472-5
Болт с шестигранной гол. M8X50
1
902
824608-4
PLASTIC CARRYING CASE(new)
1
902
182617-2
Металлический чемодан(верс1)
1


Войти Регистрация
Корзина0 позиций на сумму 0 руб.