Новосибирск +7(383) 201-32-02, 201-30-33 Заказать звонок
Адрес: ул.Лермонтова, 47
Время работы: ПН-ПТ 9-18, СБ, ВС - выходной
Войти Регистрация
Корзина0 позиций
на сумму 0 руб.

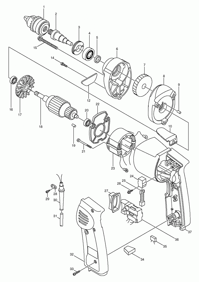
6510PB

Артикул
Наименование
Кол.
1
192879-4
Патрон
1
2
323686-6
Шпиндель к 6510PB
1
3
285804-3
Фиксатор подшипника 19-34
1
4
211201-7
Подшипник 6002LLB
1
5
257053-2
Kольцо 15
1
6
411355-2
Корпус редуктора
1
7
221621-7
Косозубая шестерня 63
1
8
156372-2
Крышка корпуса редуктора6510PB
1
9
263002-9
Резиновая шпилька 4
1
10
343693-3
Крючок
1
12
815380-9
NAME PLATE 6510PB
1
14
911168-6
PAN HEAD SCREW M4X40(верс1)
1
15
911178-3
PAN HEAD SCREW M4X50
2
16
211028-5
Подшипник 627LB
1
17
241802-7
Крыльчатка 58 к 6000LR/6510PB
1
18
511324-4
Pотор в сборе 220V
1
19
263002-9
Резиновая шпилька 4
1
20
211028-5
Подшипник 627LB
1
21
911175-9
Винт M4X45 6510B2/6510PB/9030
2
22
410326-6
Защита статора на 6510PB
1
23
521265-6
FIELD ASSY 220V
1
24
643552-4
Щеткодержатель 5-8 к 3706/
2
25
191627-8
Угольные щетки CB-64
1
26
911124-6
Винт M4X14 6402/HR2000/UM140D/
2
27
421144-7
Крышка пылесборника
1
28
687001-1
Держатель кабеля для BO4550/
1
29
911133-5
Винт M4X18 к 1911B
2
30
682502-4
Усилитель кабеля 8-85 к 1806B/
1
31
666066-6
Кабель пластиковый 1.00-2-2.5
1
32
419471-4
Крышка рукоятки(new)
1
32
411562-7
Крышка рукоятки(верс1)
1
33
911153-9
Винт M4x28 к KP312S/1100/1125/
3
34
421161-7
деталь
1
35
645206-9
Фильтр помех
1
36
651319-6
SWITCH 8316K-2
1
37
156981-7
Корпус двигателя для 6510PB
1
400
763415-9
Патрон S10
1
401
411780-7
Патрон 10
1


Войти Регистрация
Корзина0 позиций на сумму 0 руб.