Новосибирск +7(383) 201-32-02, 201-30-33
Адрес: ул.Лермонтова, 47
Время работы: ПН-ПТ 9-18, СБ, ВС - выходной
Войти Регистрация
Корзина0 позиций
на сумму 0 руб.

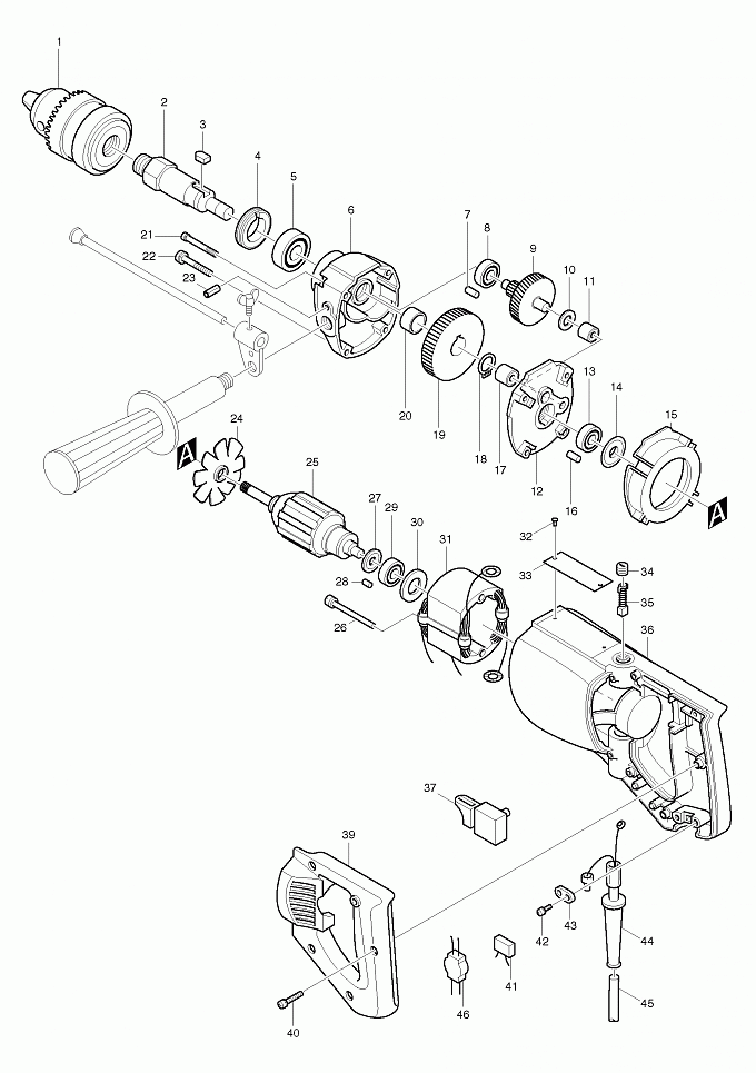
6300L

Артикул
Наименование
Кол.
1
192877-8
Патрон ключевой 13 мм 1/2
1
2
325494-1
Шпиндель к 6013B/ВR.6300L/LR
1
3
254211-1
Шпонка 5
1
4
285808-5
Фиксатор подшипника 25-36
1
5
211206-7
Подшипник 15/35
1
6
156974-4
Корпус редуктора
1
7
263002-9
Резиновая шпилька 4
1
8
211016-2
Подшипник 626LLB
1
9
226028-2
Шестерни в сборе 7-41
1
10
261008-1
Фибровая шайба 6
1
11
212012-3
Игольчатый подшипник 609
1
12
156973-6
Крышка корп.редуктора 6300L/LR
1
13
211031-6
Подшипник 608LLB
1
14
213002-9
Пыльник 8
1
15
411234-4
Защита статора 6300L/63004/
1
16
263002-9
Резиновая шпилька 4
1
17
212003-4
Игольчатый подшипник 810
1
18
961054-1
Стопорное кольцо S-14 HR5001C/
1
19
221261-1
Прямозубая шестерня 47
1
20
257018-4
Kольцо 15
1
21
911276-3
Винт M5X55
2
22
911256-9
Винт M5X35 к PC5001C
2
23
951151-1
Пружинный штифт 5-12 5500S/
1
24
241015-0
Крыльчатка 68 для 4100NB/63004
1
25
512638-4
Pотор в сборе для 6300L/63004
1
26
911275-5
PAN HEAD SCREW M5X50
2
27
681613-2
Изоляционная шайба для 1125/
1
27
681603-5
Изоляционная шайба для 1125(верс1)
1
28
263014-2
Резиновая шпилька 4
1
29
211031-6
Подшипник 608LLB
1
30
253192-6
Плоская шайба 14 3608B/HR2400/
1
31
522265-9
Cтатор в сборе 220V
1
32
953106-2
Заклёпка 0-5 для 4110C/1901/
2
33
811809-3
NAME PLATE 6300L
1
34
643550-8
Колпачок щеткодержателя 5-8
2
35
181021-2
Угольные щетки СВ-51
1
36
159087-0
Корпус двигателя 6300L/63004/
1
37
651235-2
Выключатель C2M-A1T к JN3200/(верс1)
1
39
419512-6
HANDLE COVER(new)
1
39
414523-6
HANDLE COVER(верс1)
1
40
911153-9
Винт M4x28 к KP312S/1100/1125/
4
41
645208-5
Фильтр помех(верс1)
1
42
911133-5
Винт M4X18 к 1911B
2
43
687002-9
Держатель кабеля для 5012B/
1
44
682504-0
Усилитель кабеля 10-85 к 1125/
1
45
665016-8
POWER SUPPLY CORD 1.00-2-2.5
1
46
646328-8
деталь
1
410
256828-6
Cтержень 8 6300L
1
411
924306-1
Болт-барашек M6X10
1
412
164187-3
Держатель упора для 6300L
1
413
152892-4
Боковая ручка(new)
1
413
273475-8
Боковая ручка 37 6300L/6300LR(верс1)
1
414
763432-9
Ключ к патрону S13 к DA6300/
1
415
410102-8
Патрон
1
416
286210-5
Резиновый наконечник 20
1


Войти Регистрация
Корзина0 позиций на сумму 0 руб.