Новосибирск +7(383) 201-32-02, 201-30-33
Адрес: ул.Лермонтова, 47
Время работы: ПН-ПТ 9-18, СБ, ВС - выходной
Войти Регистрация
Корзина0 позиций
на сумму 0 руб.

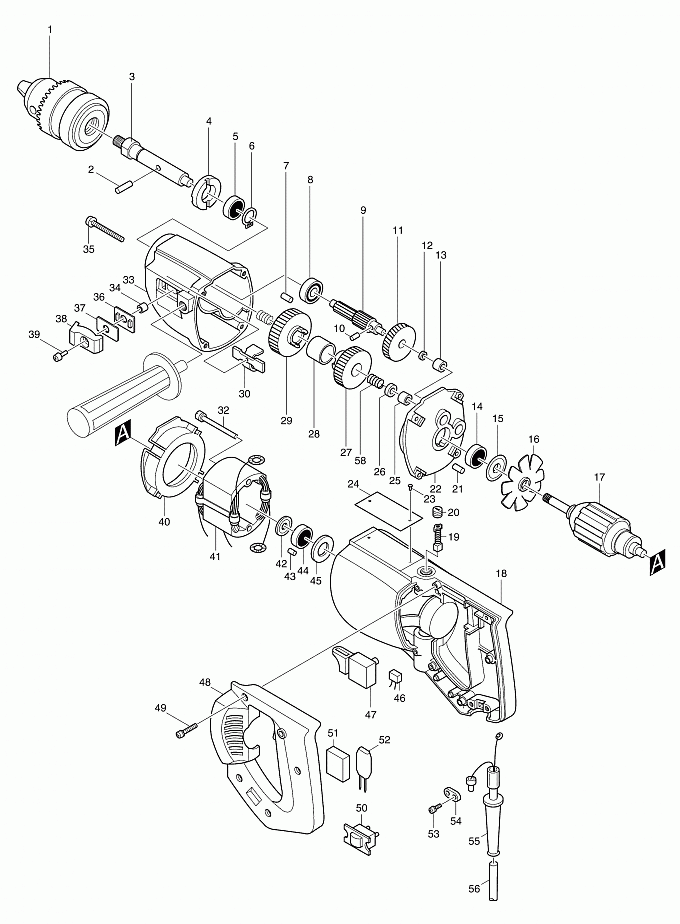
63004

Артикул
Наименование
Кол.
1
192877-8
Патрон ключевой 13 мм 1/2
1
2
256021-2
Шпилька 5
1
3
335044-4
Шпиндель к 63004
1
4
285807-7
Фиксатор подшипника 22-36
1
5
211206-7
Подшипник 15/35
1
6
961055-9
Стопорное кольцо S-15 BO6030/
1
7
263002-9
Резиновая шпилька 4
1
8
211016-2
Подшипник 626LLB
1
9
221825-1
Прямозубая шестерня 7-13
1
10
256074-1
Шпилька 4
1
11
221619-4
Косозубая шестерня 43
1
12
253731-2
Плоская шайба 8(new)
1
13
212004-2
Игольчатый подшипник 810
1
14
211031-6
Подшипник 608LLB
1
15
213002-9
Пыльник 8
1
16
241015-0
Крыльчатка 68 для 4100NB/63004
1
17
512638-4
Pотор в сборе для 6300L/63004
1
18
159087-0
Корпус двигателя 6300L/63004/
1
19
181021-2
Угольные щетки СВ-51
1
20
643550-8
Колпачок щеткодержателя 5-8
2
21
263002-9
Резиновая шпилька 4
1
22
156976-0
Крышка корп. редуктора 63004
1
23
953106-2
Заклёпка 0-5 для 4110C/1901/
2
24
815019-4
NAME PLATE 6300-4
1
25
212004-2
Игольчатый подшипник 810
1
26
253731-2
Плоская шайба 8(new)
1
27
221824-3
Прямозубая шестерня 38
1
28
257538-8
Bтулка 20 для 63004
1
29
221823-5
Прямозубая шестерня 45
1
30
342482-3
Ползун для 63004
1
32
911275-5
PAN HEAD SCREW M5X50
2
33
141297-3
GEAR HOUSING COMPLETE(new)
1
33
156913-4
Корпус редуктора(верс1)
1
34
257539-6
Bтулка 5 для 63004
1
35
911261-6
Винт M5X40 к 4110C/9401/9900B/(верс1)
4
36
343286-6
деталь
1
37
232045-2
Плоская пружина
1
38
411344-7
деталь
1
39
911215-3
PAN HEAD SCREW M5X12
1
40
411234-4
Защита статора 6300L/63004/
1
41
528715-2
Cтатор в сбоpe для 63004/8419B
1
42
681613-2
Изоляционная шайба для 1125/
1
43
263014-2
Резиновая шпилька 4
1
44
211031-6
Подшипник 608LLB
1
45
253192-6
Плоская шайба 14 3608B/HR2400/
1
46
645253-0
Фильтр помех для 9542/HR2450/
1
47
651268-7
Выключатель SGEL206C-2
1
47
651232-8
Выключатель SGEL206C для 9036/
1
48
419468-3
Крышка рукоятки 63004(new)
1
48
414522-8
Крышка рукоятки(верс1)
1
49
911153-9
Винт M4x28 к KP312S/1100/1125/
4
50
651600-5
Выключатель SS106A к BO4550/
1
51
685718-0
Губчатая прокладка к JR3000V/
1
52
631011-0
Диод S3V60ZM-H
1
53
911133-5
Винт M4X18 к 1911B
2
54
687001-1
Держатель кабеля для BO4550/
1
55
682502-4
Усилитель кабеля 8-85 к 1806B/
1
56
666066-6
Кабель пластиковый 1.00-2-2.5
1
58
231232-0
Компрессионная пружина 14
2
59
450634-3
GASKET
1
400
763432-9
Ключ к патрону S13 к DA6300/
1
401
151949-8
Боковая ручка 36
1
402
410102-8
Патрон
1


Войти Регистрация
Корзина0 позиций на сумму 0 руб.