Новосибирск +7(383) 201-32-02, 201-30-33
Адрес: ул.Лермонтова, 47
Время работы: ПН-ПТ 9-18, СБ, ВС - выходной
Войти Регистрация
Корзина0 позиций
на сумму 0 руб.

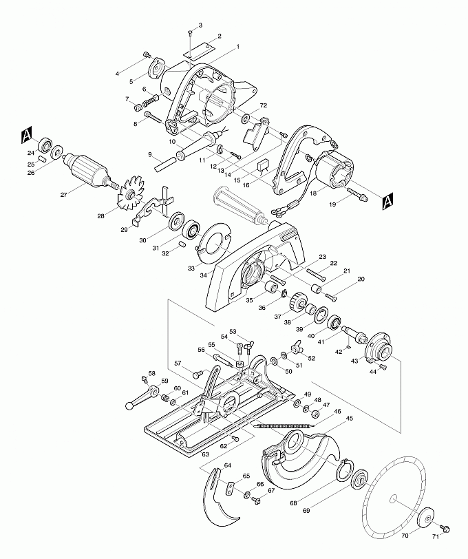
5900BR

Артикул
Наименование
Кол.
1
159721-2
Корпус двигателя в сб. 5900BR
1
2
811766-5
Маркировочная табличка 5900BR
1
3
953106-2
Заклёпка 0-5 для 4110C/1901/
2
4
911211-1
Винт M5X12 для KP312S/5500S/
2
5
285007-9
Корпус подшипника 48 к 5900BR
1
6
181044-0
Угольные щетки CB-153
1
7
643650-4
Колпачок щеткодерж-ля 6.5-13.5
2
8
911153-9
Винт M4x28 к KP312S/1100/1125/
5
9
665516-8
Кабель резиновый 1.00-2-2.5
1
10
682502-4
Усилитель кабеля 8-85 к 1806B/
1
11
687001-1
Держатель кабеля для BO4550/
1
12
911133-5
Винт M4X18 к 1911B
2
13
651023-7
Выключатель HPAH2-2S(верс1)
1
14
911126-2
Винт M4X16 5016/5500S/5900BR/
2
15
645200-1
Фильтр помех для 5012B/HR2400/
1
16
415077-6
Крышка рукоятки
1
18
524125-1
Cтатор в сборе 220В для 5900BR
1
19
911945-6
PAN HEAD SCREW M5X85
2
20
251224-3
Винт+ с потайной головкойM6X28
1
21
262501-8
Резиновая втулка 6
1
22
912281-3
Потайной винт М5Х60
2
23
912261-9
Потайной винт М5Х40
2
24
211066-7
Подшипник 10/30
1
25
263002-9
Резиновая шпилька 4
1
26
681623-9
Изоляционная шайба к 2012NB/
1
27
516513-6
Pотор в сборе 220В для 5900BR(new)
1
27
514134-8
Pотор в сборе 220V(верс1)
1
28
241064-7
Крыльчатка 106 для 5900BR
1
29
163102-4
Стопорная ручка для 5900BR
1
30
213102-5
Пыльник 12
1
31
211106-1
Подшипник 6201LLB
1
31
211144-3
Подшипник 12/32(верс2)
1
31
211106-1
Подшипник 6201LLB
1
32
263005-3
Резиновая шпилька 6
1
33
411395-0
Защита статора на 5900BR
1
34
152421-3
Кожух диска для 5900BR
1
35
212102-2
Игольчатый подшипник 1210
1
36
961057-5
Стопорное кольцо S-17 к 9029/
1
37
221013-0
Косозуб. шестерня 44 для 5900B
1
38
257024-9
Kольцо 17
1
39
962157-4
Стопорное кольцо R-40 к 9069S/
1
40
211256-2
Подшипник 17/40
1
41
325248-6
Шпиндель для модели 5900BR
1
42
254203-0
Шпонка 4 2400B/5900BR/LS1440
1
43
312585-7
Корпус подшипника для 5900BR
1
44
912121-5
COUNTERSUNK HEAD SCREW M4X14
4
45
165044-8
Защитный кожух для 5900BR
1
46
231718-4
Натяжная пружина 4
1
47
252014-7
Шестигр. гайка M6-10
1
47
931302-2
Шестигранная гайка M6 HR2400/
1
48
942151-2
Шайба Гровера 6 к 2400B/2412N/
1
49
941151-9
Плоская шайба 6 для HR3000C/
1
50
941151-9
Плоская шайба 6 для HR3000C/
1
51
942151-2
Шайба Гровера 6 к 2400B/2412N/
1
52
934301-3
Барашковая гайка M6
1
53
924216-2
Болт-барашек M5X15 к LS1440/
1
54
911227-6
PAN HEAD SCREW M5X18
1
55
931202-6
Шестигранная гайка M5 HR2430/
1
56
251221-9
Винт (+) M6
1
57
251919-8
Болт с квадр.подголовком M6X20
1
58
911207-2
PAN HEAD SCREW M5X10
1
59
133014-5
Рычаг в сборе 98
1
60
252003-2
Шестигр. гайка M8-14
1
61
253731-2
Плоская шайба 8(new)
1
62
251918-0
Болт с квадр.подголовком M8X24
1
63
133152-3
Основание в сборе для 5900BR
1
64
345085-2
Расклинивающий нож 5900BR
1
65
341310-9
Пластина крепления кожуха
1
66
942151-2
Шайба Гровера 6 к 2400B/2412N/
2
67
265251-4
Болт с шестигранной гол. M6X16
2
68
961203-0
Стопорное кольцо S-48
1
69
224015-5
Внутренний фланец 55 к 5900BR
1
70
224016-3
Наружный фланец 55 5900BR
1
71
251644-1
Болт фланца шестигранный M8X20
1
72
253090-4
FLAT WASHER 24
1
400
A-80678
Пил.диск 235x30/25x2.3x20T дер(new)
1
400
792316-4
Пил.диск 235x30/25x2,3x20T дер(верс1)
1
401
164021-7
Параллельный упор
1
402
152492-0
Боковая ручка 36
1
901
257035-4
Kольцо 25
1


Войти Регистрация
Корзина0 позиций на сумму 0 руб.