Новосибирск +7(383) 201-32-02, 201-30-33
Адрес: ул.Лермонтова, 47
Время работы: ПН-ПТ 9-18, СБ, ВС - выходной
Войти Регистрация
Корзина0 позиций
на сумму 0 руб.

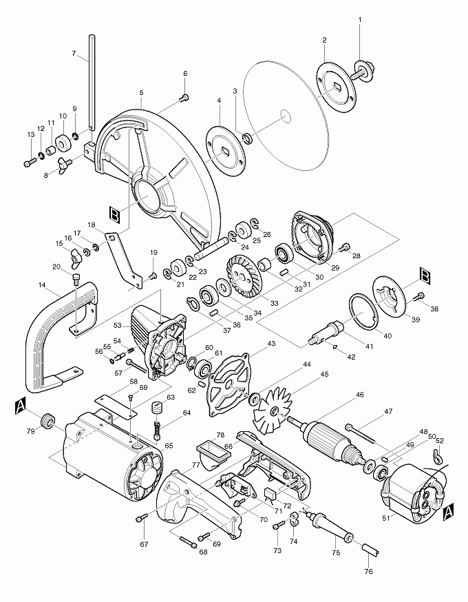
4110C

Артикул
Наименование
Кол.
1
265265-3
Болт с шестигранной гол.M10X25
1
2
224184-2
Внутренний фланец 100 4110C/(new)
1
3
257054-0
Кольцо 20 для 2412N/2414/4110C
1
4
224184-2
Внутренний фланец 100 4110C/(new)
1
5
150234-6
Защитный кожух в сборе 4110С
1
6
251918-0
Болт с квадр.подголовком M8X24
1
7
256923-2
Cтержень 12-210 4110B/4110C
1
8
251859-0
Болт-барашек M8X12
1
9
253143-9
Плоская шайба 12
1
10
257091-4
Kольцо 12
1
11
257580-9
Bтулка 8 для 4110С
1
12
253143-9
Плоская шайба 12
1
13
911432-5
PAN HEAD SCREW M8X20
1
14
273615-8
Боковая ручка
1
15
934401-9
Барашковая гайка M8
1
16
942201-3
Шайба Гровера 8 к 2412N/2414B/
1
17
941201-0
Плоская шайба 8 к LS1013/4131/
1
18
341854-9
Стопорная пластина
1
19
912202-5
Потайной винт M5X8 для 4110C/
2
20
921422-0
HEX. BOLT M8X16
2
21
961015-1
Стопорное кольцо E-9 к 6222D/
1
22
257091-4
Kольцо 12
1
23
961015-1
Стопорное кольцо E-9 к 6222D/
1
24
961015-1
Стопорное кольцо E-9 к 6222D/
1
25
257091-4
Kольцо 12
1
26
961015-1
Стопорное кольцо E-9 к 6222D/
1
28
922236-0
HEX. SOCKET HEAD BOLT M5X22
4
29
152203-3
Корпус подшипника в сб. 4110C
1
30
211256-2
Подшипник 17/40
1
31
263002-9
Резиновая шпилька 4
1
32
257576-0
Bтулка 17 для 4110С
1
33
221353-6
Спирально-конич. шестерня 55
1
34
253180-3
Плоская шайба 10
1
35
211066-7
Подшипник 10/30
1
36
263002-9
Резиновая шпилька 4
1
37
961006-2
Стопорное кольцо S-10 HR3000C/
1
38
911206-4
Винт M5X10 к 4110C/1805B/3620/
3
39
162107-1
Пластина крепления кожуха
1
40
341853-1
Пластина B для 4110C/4112HS/
1
41
321443-6
Шпиндель к 4110B/4110С
1
42
254001-2
Сегментная шпонка 4
1
43
343453-3
Защита статора на 4110С
1
44
321444-4
деталь
1
45
241317-4
Крыльчатка 100 SR2600/4110С
1
46
514713-2
Pотор в сборе для модели 4110C
1
47
911938-3
Винт M5X85
2
48
681635-2
Изоляционная шайба для HM1200/(new)
1
50
211088-7
Подшипник 6000DDW/
1
51
524673-0
Cтатор в сборе 220В для 4110C
1
52
687010-0
Ремешок для 4110C/9077/9402/
1
53
157905-6
Корпус редуктора
1
54
231240-1
Компрессионная пружина 7
1
55
256633-1
Шпилька 6
1
56
231928-3
Кольцевая пружина 8
1
57
911261-6
Винт M5X40 к 4110C/9401/9900B/(верс1)
4
58
854730-3
NAME PLATE 4110C
1
59
953106-2
Заклёпка 0-5 для 4110C/1901/
2
60
961055-9
Стопорное кольцо S-15 BO6030/
1
61
211206-7
Подшипник 15/35
1
62
263005-3
Резиновая шпилька 6
1
63
643650-4
Колпачок щеткодерж-ля 6.5-13.5
2
64
181044-0
Угольные щетки CB-153
1
65
159687-6
Корпус двигателя в сборе 4110С(new)
1
65
156738-6
Корпус двигателя для 4110С(верс1)
1
66
181908-8
Рукоятка 4110С/9607GB/09GB/NB(new)
1
66
181442-8
Рукоятка в сборе 4110B/4110С(верс1)
1
67
911148-2
Винт M4X25(верс1)
2
68
911248-8
Винт M5X28 к KP312S/2106/5016/
2
69
911148-2
Винт M4X25(верс1)
1
70
911113-1
Винт M4X10 для LS1013/1911B/
2
71
651142-9
Выключатель C3D-15CS для 4110C(new)
1
71
651131-4
Выключатель C3D-15MS(верс1)
1
72
645200-1
Фильтр помех для 5012B/HR2400/
1
73
911133-5
Винт M4X18 к 1911B
2
74
687031-2
Держатель кабеля для HR5000K/
1
75
682540-6
Усилитель кабеля 9.3-90 2030/
1
76
665865-3
Кабель резиновый 1.0-2-2.5
1
77
181908-8
Рукоятка 4110С/9607GB/09GB/NB(new)
1
77
181442-8
Рукоятка в сборе 4110B/4110С(верс1)
1
78
421279-4
Крышка пылесборника F/AC/DC SW
1
79
421490-8
Резиновое кольцо 26 для 1806B/(new)
1
79
421417-8
Резиновое кольцо 26 для 1806B(верс1)
1
401
782210-8
Торцовый ключ 17
1
403
824697-9
PLASTIC CARRYING CASE(верс2)
1
403
182528-1
PLASTIC CARRYING CASE(верс1)
1
404
122263-9
Станина для 4110С
1
405
941201-0
Плоская шайба 8 к LS1013/4131/
1
406
942201-3
Шайба Гровера 8 к 2412N/2414B/
1
407
924416-4
WING BOLT M8X15
1
408
941151-9
Плоская шайба 6 для HR3000C/
1
409
942151-2
Шайба Гровера 6 к 2400B/2412N/
1
410
924311-8
Болт-барашек M6X12 к 4110C/
1


Войти Регистрация
Корзина0 позиций на сумму 0 руб.